EasyManua.ls Logo

BMW E36 Coupe - Page 33

BMW E36 Coupe
383 pages
Print Icon
To Next Page IconTo Next Page
To Next Page IconTo Next Page
To Previous Page IconTo Previous Page
To Previous Page IconTo Previous Page
Loading...
BMW
BMWBMW
BMW
6
.5 GN/WS
7
30
28
03/00
0670.2Ć
1999
04
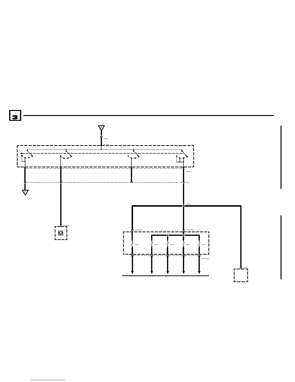
POWER DISTRIBUTION
P90
FRONT POWER
DISTRIBUTION BOX
FUSE DETAILS
0670.3
26
F43
5A
F44
15A
.75 VI/WS 1.5 VI/SW
X223
8 X56
.5 VI
X100183230
1
F45
7.5A
F46
15A
1.5 VI/WS 1.5 VI/GE
0670.2-05
K2
HORN RELAY
2 X33
15i
8
2.5 SW/GE
50
2.5 GN
15
4 RT
X331
0670.2-02
4 RT
2.5 VI
S2
IGNITION SWITCH
0) OFF
1) ACCESSORY
2) RUN
3) START
X209
23
41
2.5 GN
2.5 VI
2.5 VI
2
1
0
3
R
2
1
0
3
21
0
3
RRRR
6133.0
X209
5
2.5 GN/SW
A836
ELECTRONIC
IMMOBILIZER
CONTROL MODULE
(EWS II)
3 X1659
1240.0
X10259
24
23
F42
7.5A
.5 VI/GN
1.5 VI
R
X10018
NOT USED
5126.0
6135.0
2
1
0
3

Related product manuals