EasyManua.ls Logo

BMW E36 Coupe - Page 96

BMW E36 Coupe
383 pages
Print Icon
To Next Page IconTo Next Page
To Next Page IconTo Next Page
To Previous Page IconTo Previous Page
To Previous Page IconTo Previous Page
Loading...
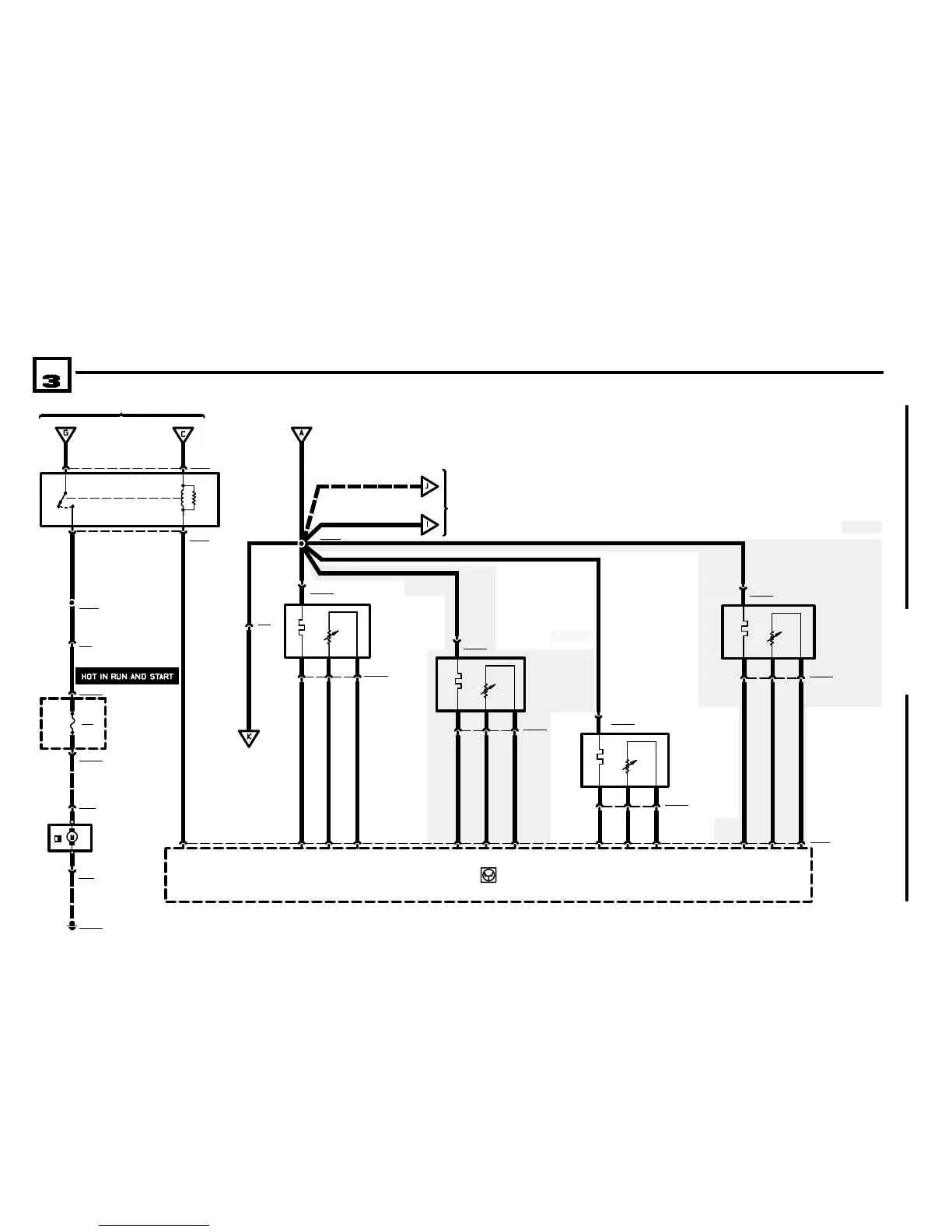
ENGINE CONTROL SYSTEM MS41.1 (6CYLINDER M52)
P90
FRONT POWER
DISTRIBUTION BOX
03/00
1210.17Ć
1999
04
1210.17-00
.5 RT/WS 2.5 RT/WS
.5 RT/WS
X6381
GROUND
DISTRIBUTION
0670.4
F18
15A
2 X638
X2013
2
6 8 X6301
69
X6301
4
1.5 GN/VI
2.5 GN/VI
.5 BR/GN
M2
FUEL PUMP
A6000
ENGINE CONTROL
MODULE (DME)
K6301
CYL. 16 FUEL
PUMP RELAY
30
87
X6000
X13006
1.5 RT
FUSE DETAILS
0670.3
1.5 GN/VI
X8007
25
.5 RT/WS
X1001615
16 X10016
1210.17-00
X6822
BMWBMWBMWBMW
6775
1210.17-05
7055 76
X208
1 RT/WS
124
3
X62101
X62101
B62101
OXYGEN SENSOR I
(IN FRONT OF
CATALYTIC
CONVERTER)
214
3
X62201
X62201
B62201
OXYGEN SENSOR
II (IN FRONT OF
CATALYTIC
CONVERTER)
.5 RT/WS
.5 SW.5 GE.5 BR .5 SW.5 GE.5 BR
1 RT/WS/GE
7179 77
214
3
X62102
X62102
B62102
OXYGEN SENSOR I
(BEHIND
CATALYTIC
CONVERTER)
.5 RT/WS
.5 SW.5 GE.5 BR
7261 78
214
3
X62202
X62202
B62202
OXYGEN SENSOR
II (BEHIND
CATALYTIC
CONVERTER)
.5 RT/WS
.5 SW.5 GE
.5 BR
(PARTIAL)
1210.17-09
328i, M3
328i, M3