EasyManua.ls Logo

BMW E36 Coupe - Page 97

BMW E36 Coupe
383 pages
Print Icon
To Next Page IconTo Next Page
To Next Page IconTo Next Page
To Previous Page IconTo Previous Page
To Previous Page IconTo Previous Page
Loading...
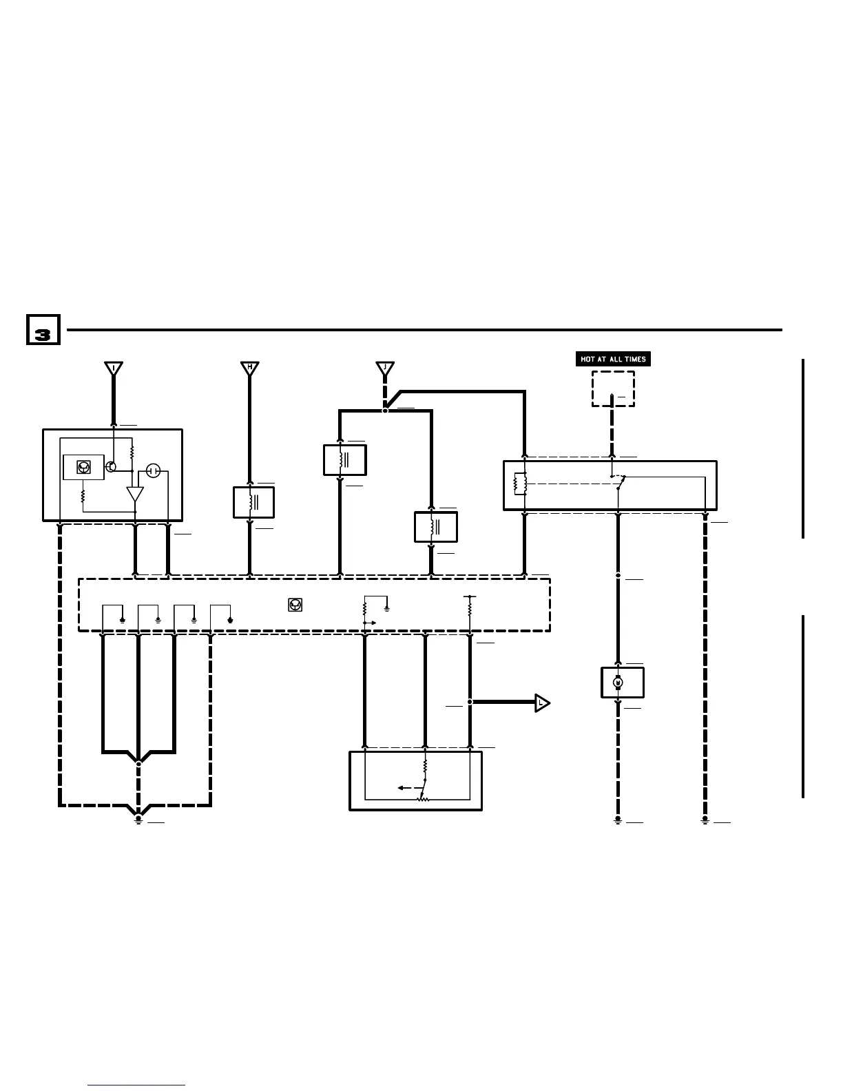
ENGINE CONTROL SYSTEM MS41.1 (6CYLINDER M52)
POWER
DISTRIBUTION
0670.2
P90
FRONT POWER
DISTRIBUTION BOX
2.5 BR
03/00
1210.17Ć
1999
05
1
4
X6207
2
32 34 42 12 X6000
44
87
1 2 3 X6252
.5 SW.5 GE
2.5 BR .5 BR .5 SW .5 RT/GN
B6207
HOT FILM AIR
MASS METER
A6000
ENGINE CONTROL
MODULE (DME)
R6252
THROTTLE
POSITION SENSOR
GROUND
DISTRIBUTION
0670.4
X6454
5V (15)
4
2.5 BR
28
GROUND
DISTRIBUTION
0670.4
GROUND
DISTRIBUTION
0670.4
X62752
21
1210.17-01
X6275
1
Y6275
VARIABLE CAM-
SHAFT CONTROL
VALVE 1
.5 RT/WS
.5 GN/BL
BMW
BMWBMW
BMW
+
3 X6207
.5 RT/WS
1210.17-04
X61631
62
X61632
Y6163
SECONDARY AIR
PUMP VALVE
.5 RT/WS
.5 BR/WS
1210.17-04
X65502
50
X65501
Y6550
SOLENOID VALVE
(RUNNING
LOSSES)
.5 RT/WS
.5 GE/BL
8 2 X6304
K6304
SECONDARY AIR
PUMP RELAY
30
35
X6000
4 RT/GE.5 BR/GN
X61331
X6133
2
Y6133
AIR PUMP
X6455
GROUND
DISTRIBUTION
0670.4
X63045
GROUND
DISTRIBUTION
0670.4
31 31 31 31
31
1210.17-10
.5 RT/GN
.5 RT/WS
X6822
(PARTIAL)
46
X6823
4 RT/GE
X8000
.5 RT/GN
X2
X6454