EasyManua.ls Logo

Body Solid G2B - Page 21

Body Solid G2B
86 pages
Print Icon
To Next Page IconTo Next Page
To Next Page IconTo Next Page
To Previous Page IconTo Previous Page
To Previous Page IconTo Previous Page
Loading...
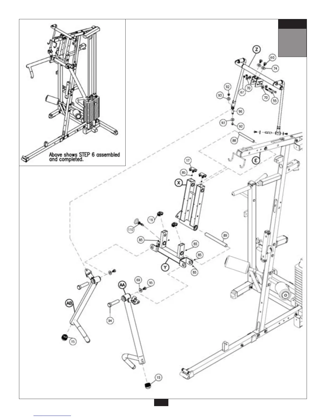
6
21
STEP

Related product manuals