EasyManua.ls Logo

BODYMAX CF800 - Page 32

BODYMAX CF800
40 pages
Print Icon
To Next Page IconTo Next Page
To Next Page IconTo Next Page
To Previous Page IconTo Previous Page
To Previous Page IconTo Previous Page
Loading...
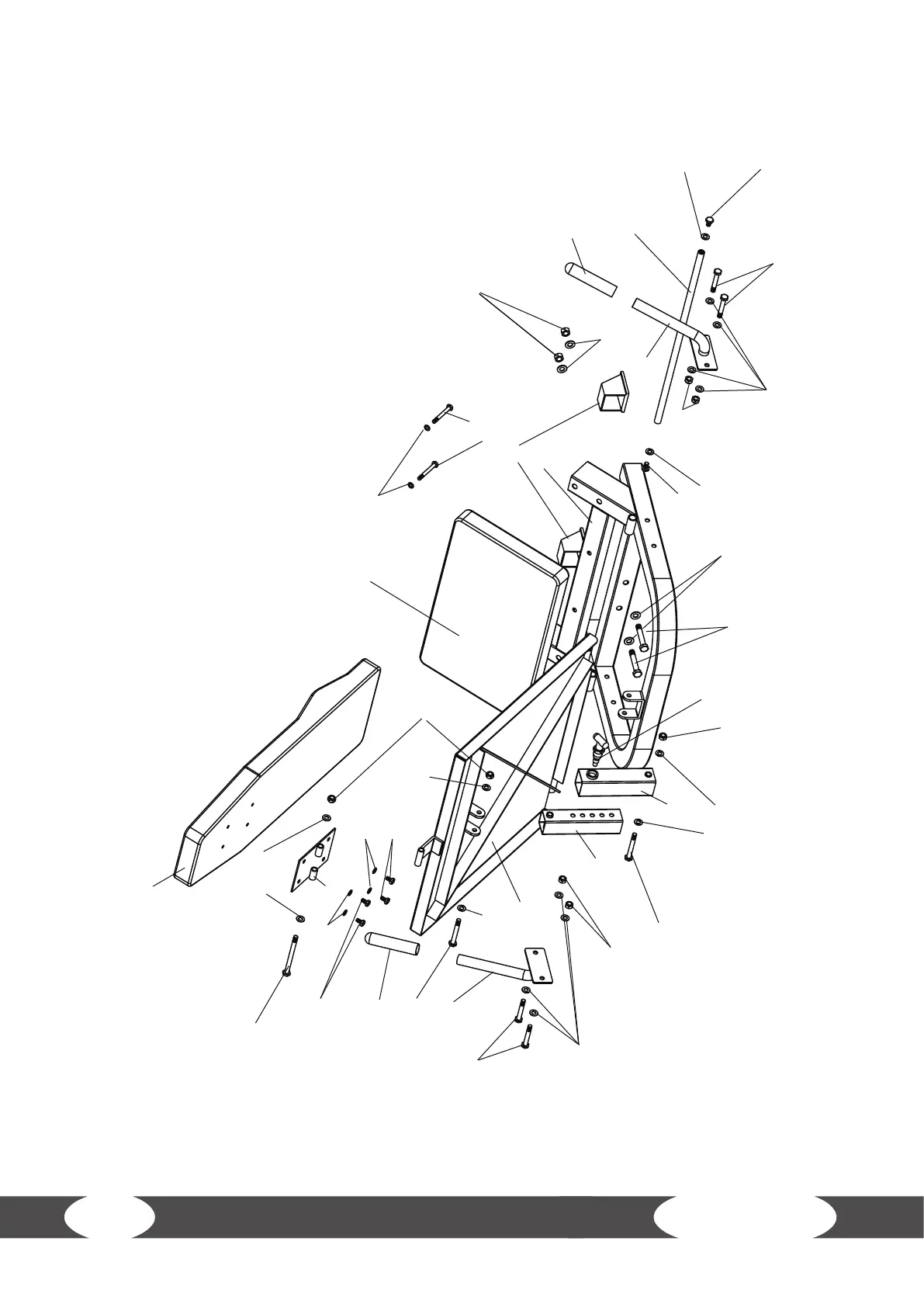
13
34
35
1
18
17
5
24
23
22
19
20
21
H10-12
H10-23
H8-3
H8-3
H10-15
H10-2
H10-2
H8-12
W10
W12
N10
W12
N12
H10-12
W10
W10
W10
W8
H10-15
H12-13
W10
N10
W8
W10
W10
W10
N10
W8
20
32
CF800

Related product manuals