EasyManua.ls Logo

Bodyworx E711 - Exploded Drawing

Bodyworx E711
16 pages
Print Icon
To Next Page IconTo Next Page
To Next Page IconTo Next Page
To Previous Page IconTo Previous Page
To Previous Page IconTo Previous Page
Loading...
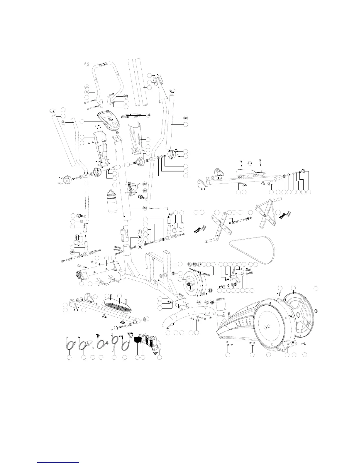
Exploded drawing:
17
18
7
55
53
53
67
91
64
68
90
23
40
60
13
91
38
84
47
10
12
69
66
7
9
13
54
65
80
5L
5R
75
74
63 11
21L
20
22
4
19 14
6
8
7
6
37
43
2527 28 29 3057 7862
41 34 42
36L 36R
41
34 42
39
48 82
51
58
71
612692 24
7773 7911 66 7 40 32
134784 46
50
83
56958945 94 59 35
7631
23
92
33L 33R
16
93
79
70
1
98
99
101
97
100

Related product manuals