EasyManua.ls Logo

Boeing 747 - Page 39

Boeing 747
96 pages
Print Icon
To Next Page IconTo Next Page
To Next Page IconTo Next Page
To Previous Page IconTo Previous Page
To Previous Page IconTo Previous Page
Loading...
4
5
A-A
0.40 (10)
5
6
2
A
A
1
1
2
4
4
3
2 6
0.10
(2.5)
3
3
(20)
0.80
0.2
(5)
X.XX
=
+0.00/-0.1
_____
NOTES:
ALL
DIMENSIONS
ARE
IN
INCHES
(MILLIMETERS
ARE
IN
PARENTHESES)
MATERIAL
-
LUCITE,
PLEXIGLASS
OR
EQUIVALENT
TOLERANCES
(UNLESS
SPECIFIED
DIFFERENTLY):
___________MILLIMETERS
X.XX
=
±
0.5
______INCHES
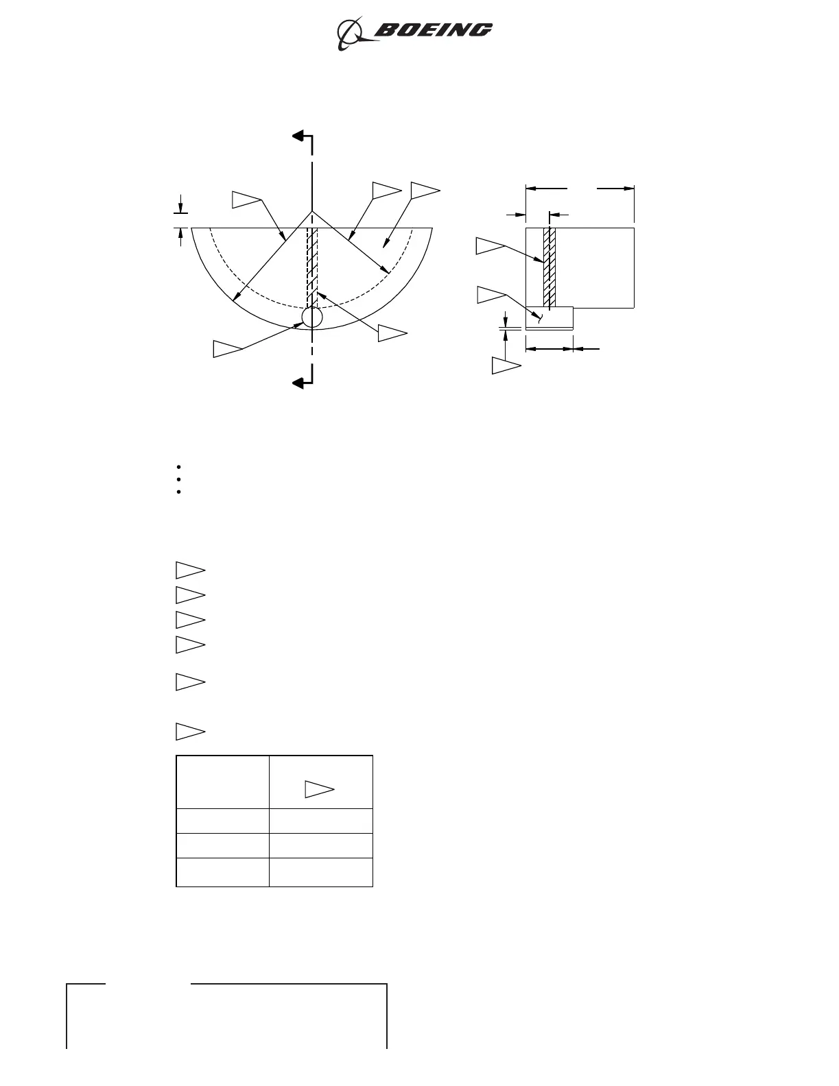
TRANSDUCER
GUIDE OUTER
RADIUS
-
0.930
(23.60)
TRANSDUCER
GUIDE INNER
RADIUS,
SEE THE
TABLE BELOW
SET
SCREW
-
SIZE 6/32 INCH
THE
DIAMETER
OF
THE
TRANSDUCER
-
HOLE
DIAMETER
0.192
(4.87)
TRANSDUCER
HOLE
-
THE
DIAMETER
OF
THE
HOLE MUST
BE
0.001
(0.02) LARGER
THAN
THE
0.192
(4.87)
TRANSDUCER
HOLE MUST
BE
LOCATED
0.002
(0.05)
TO
0.003
(0.07)
FROM
THE
OUTER
RADIUS
OF
THE
TRANSDUCER
GUIDE.
SEE
TABLE
1
FOR THE
TRANSDUCER
DIAMETER.
GRIND
OR
ETCH
THE
TRANSDUCER
GUIDE
NUMBER,
SEE THE
TABLE BELOW
TRANSDUCER
GUIDE
NUMBER
NDT4107-G5
NDT4108/9-G3
NDT4108/9-G4
0.804
(20.42)
0.743
(18.87)
0.769
(19.53)
INNER
RADIUS
X.XX
=
±
0.025
X.XXX
=
+0.000/-0.005
2130640 S0000459163_V1
Diagonal Brace Transducer Guide
Figure 4
747
NONDESTRUCTIVE TEST MANUAL
PART 4 54-30-06
Page 9
Nov 15/2015D6-7170
ECCN 9E991 BOEING PROPRIETARY - Copyright © Unpublished Work - See title page for details
EFFECTIVITY
ALL

Other manuals for Boeing 747

Related product manuals