EasyManua.ls Logo

Boga NKBD-6 - Page 49

Boga NKBD-6
55 pages
Print Icon
To Next Page IconTo Next Page
To Next Page IconTo Next Page
To Previous Page IconTo Previous Page
To Previous Page IconTo Previous Page
Loading...
[MBA_NKBD_EN] Rev.: 10/2015 49
No liability accepted for translation or printing errors. Subject to changes in dimensions, weights and other technical data.
All rights reserved. Modifications, reprints and photomechanical reproduction, even in extract from, require the express permission of BOGA GmbH, Werkstraße 16, D-59494 Soest.
BOGA GmbH Werkstraße 16 D-59494 Soest Fon: +49 2921 96943-0 Fax: +49 2921 96943-29 info@airwin.net • www.airwin.net
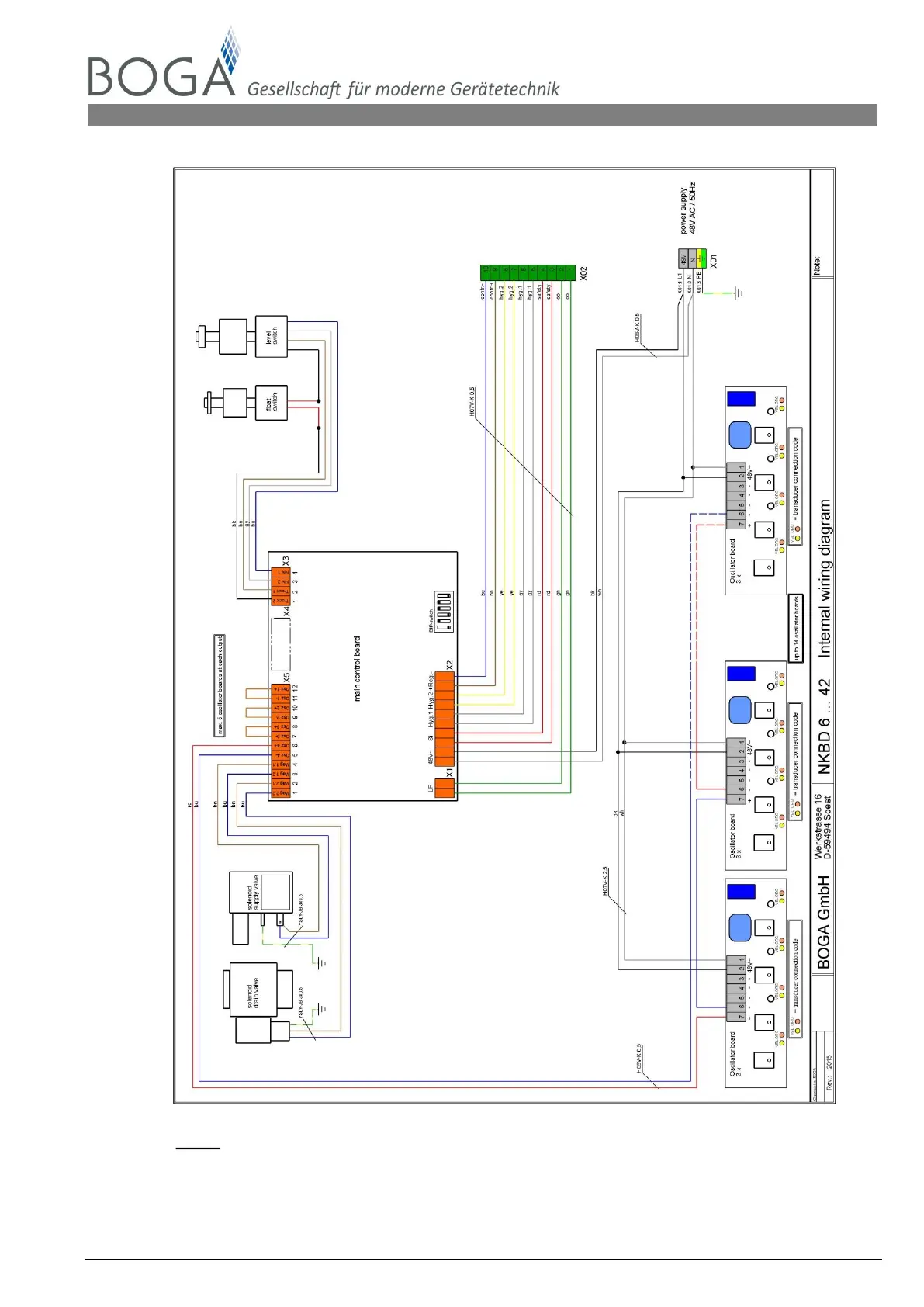
fig. 54 - Internal wiring NKBD

Related product manuals