EasyManua.ls Logo

BONFIGLIOLI TA 40

BONFIGLIOLI TA 40
34 pages
To Next Page IconTo Next Page
To Next Page IconTo Next Page
To Previous Page IconTo Previous Page
To Previous Page IconTo Previous Page
Loading...
23
TA 50
TA 50
TA 50_D
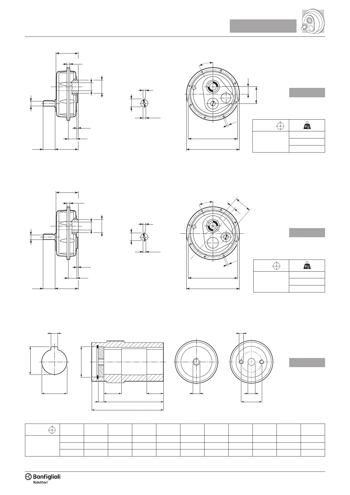
OUTPUT
B G7 BB BH G H HB HC R S T V
TA 50
50 50 14 53.8 14 M16 182 60 180 40
55 55 16 59.3 14 M16 182 65 160 40
60 60 18 64.4 14 17 M12 42 182 70 160 40
TA 50
50 54
55 54
60 54
TA 50
50
D
58
55 58
60 58




TA 50
TA 50_D
26°30'
140
410
182
24.5*
12.5
67
190
80
38
h6
B
85
11
434*
61
M12
10
41
M12
10
41
26°30'
143
40
410
182
24.5*
12.5
67
190
80
38
h6
B
85
11
434*
TA 50
TA 50_D
26°30'
140
410
182
24.5*
12.5
67
190
80
38
h6
B
85
11
434*
61
M12
10
41
M12
10
41
26°30'
143
40
410
182
24.5*
12.5
67
190
80
38
h6
B
85
11
434*
* Le superci sono grezze * Surfaces are unmachined * Oberächen nicht bearbeitet * Les surfaces sont non-usinées

Related product manuals