EasyManua.ls Logo

Bosch 330PN - Page 23

Bosch 330PN
107 pages
Print Icon
To Next Page IconTo Next Page
To Next Page IconTo Next Page
To Previous Page IconTo Previous Page
To Previous Page IconTo Previous Page
Loading...
Applications Manual THERM/GREENTHERM Tankless Water Heaters | 21
Bosch Thermotechnology Corp.
Data subject to change
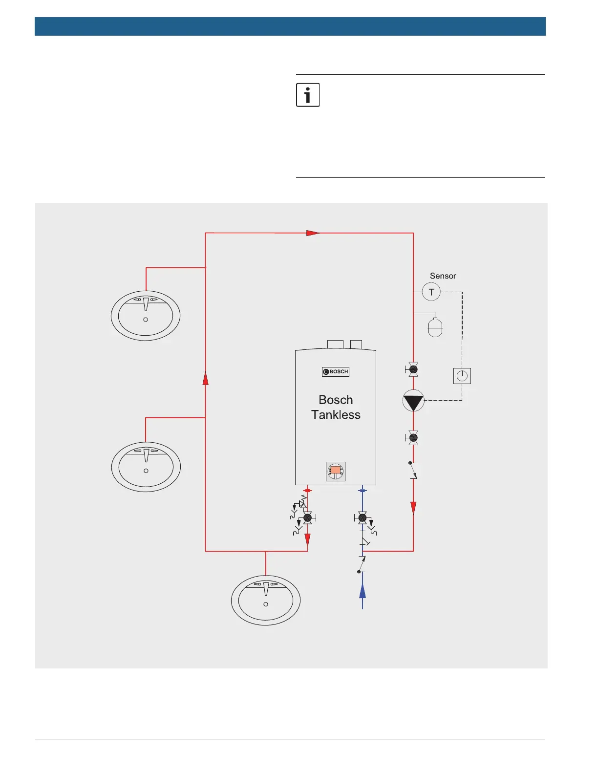
9.2.4 Bosch gas water heater with direct recirculation
loop
Use a circulator, aquastat and/or timer, to keep a loop of
hot water constantly hot and ready to use. This limits wait
time for hot water delivery to the tap and excessive waste
of water. Insulate piping in hot water recirculation loop to
limit heat loss.
Applicable models: Bosch 830 ES, 940 ES, 940 ESO,
C 950 ES, C 1050 ES, C 1210 ES.
See Chapter 5.2 for recirculation pump
parameters
In this application the heat exchanger warranty is
reduced to 3 years. Please refer to section 8.2.3
for an application that maintains full warranty.
Please refer to the installation manual for detailed
warranty period information.

Table of Contents

Other manuals for Bosch 330PN

Related product manuals