EasyManua.ls Logo

Bosch C1050ES - Page 25

Bosch C1050ES
107 pages
Print Icon
To Next Page IconTo Next Page
To Next Page IconTo Next Page
To Previous Page IconTo Previous Page
To Previous Page IconTo Previous Page
Loading...
Applications Manual THERM/GREENTHERM Tankless Water Heaters | 23
Bosch Thermotechnology Corp.
Data subject to change
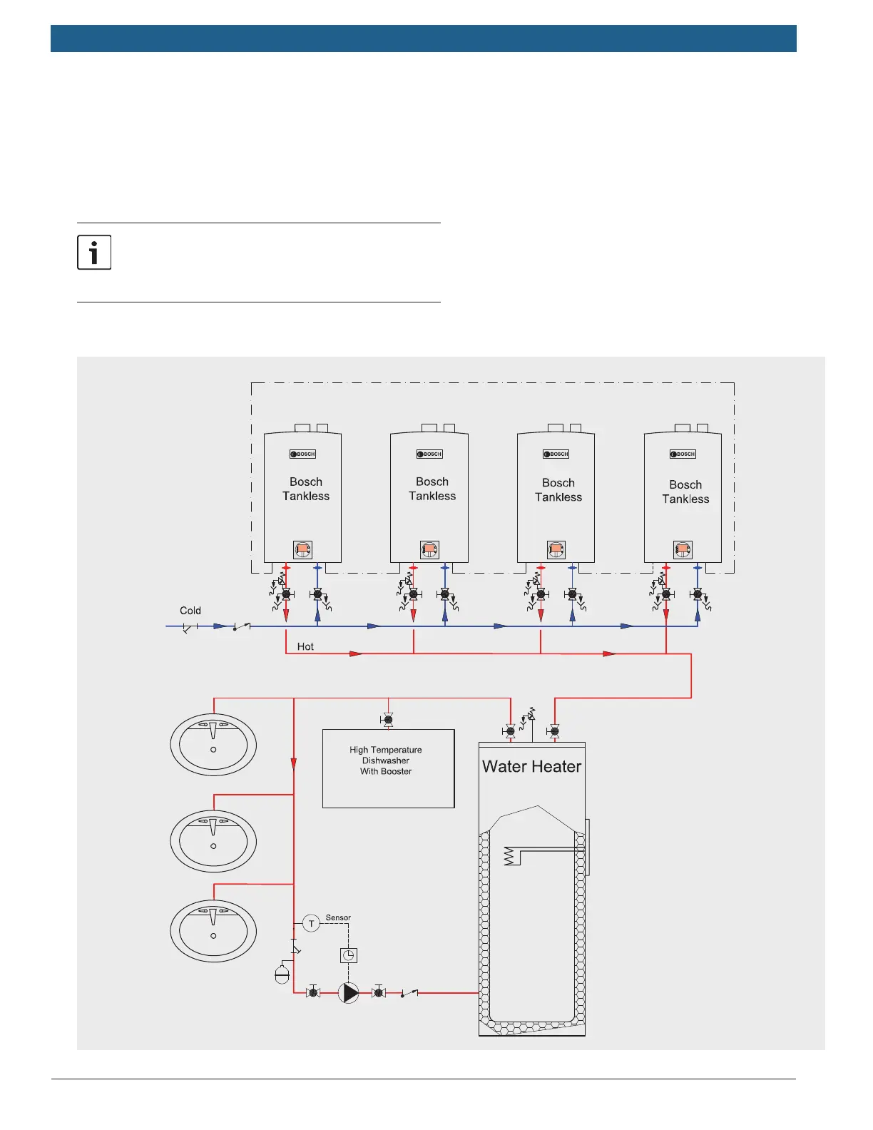
10.1.1 Intelligent cascading with domestic hot water
recirculation
For applications with 200ft of pipe or more.
Applicable models: Bosch 830 ES, 940 ES, 940 ESO,
C 950 ES, C 1050 ES, C 1210 ES
See Chapter 5.2 for recirculation pump
parameters
System parameters:
f The plumbing must be connected in the reverse return
method with a minimum number of elbows to aid in
balancing pressures between the appliances.
f Locate appliances close together for improved
performance.
Maximum distance between appliances: 36”.
Minimum distance between appliances: 1”
f Minimum pipe diameter: ¾” (2 appliances or less)
f Minimum pipe diameter: 1” (3 appliances or more).
f Minimum water pressure: 50 psi.
f Insulate pipes to prevent heat loss.

Table of Contents

Other manuals for Bosch C1050ES

Related product manuals