EasyManua.ls Logo

Bosch C1210ES - Tank Loading with Domestic Hot Water Recirculation

Bosch C1210ES
107 pages
Print Icon
To Next Page IconTo Next Page
To Next Page IconTo Next Page
To Previous Page IconTo Previous Page
To Previous Page IconTo Previous Page
Loading...
32
|
THERM/GREENTHERM Tankless Water Heaters
Bosch Thermotechnology Corp.Data subject to change
Applications Manual
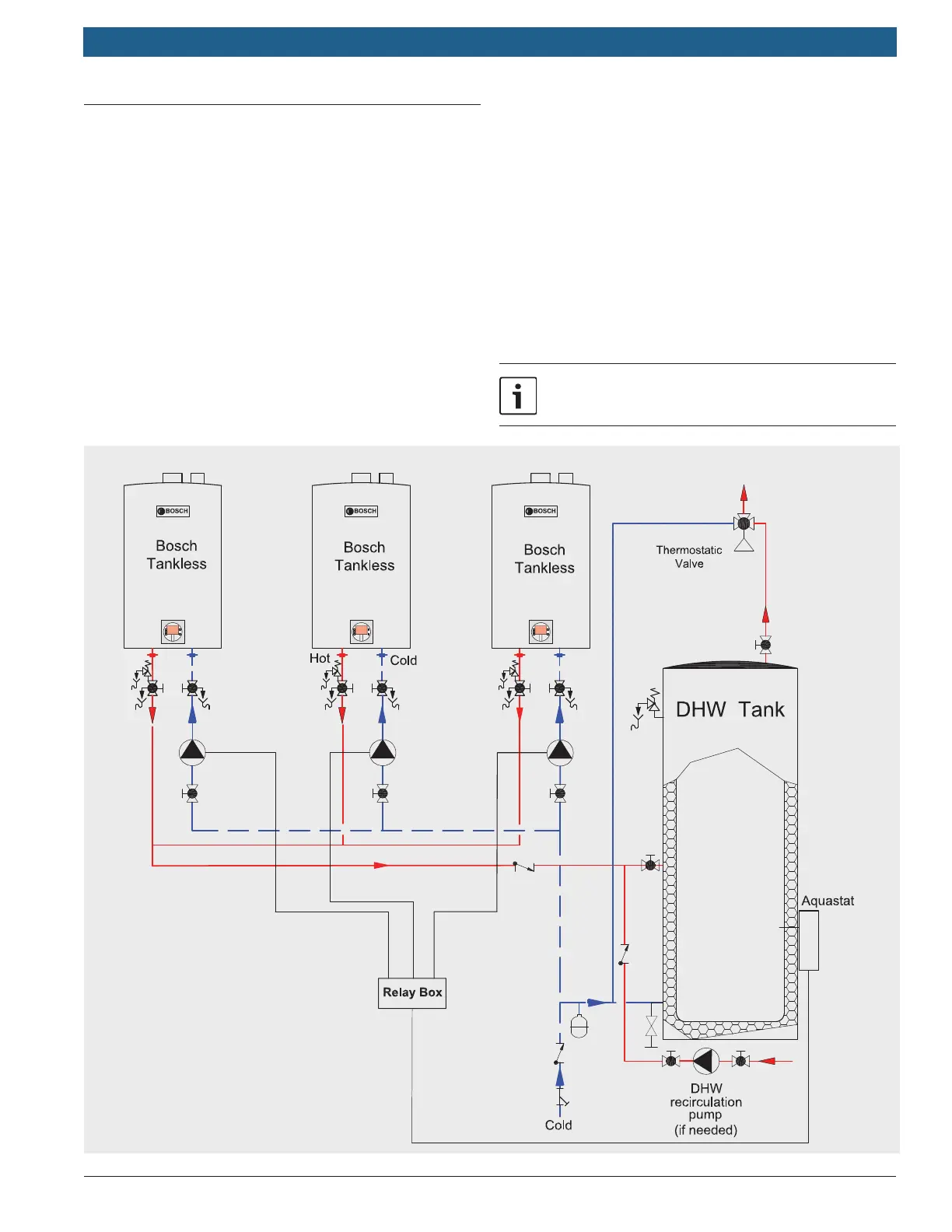
13.2 Tank loading with domestic hot water
recirculation
The following application outlines a tank loading
application for commercial hot water systems where
reliability is critical (e.g. hotels,  tness centers). This
design allows for the isolation of the major system
components for service or in case of failure. The
redundant modular design allows continued system
operation even after a tank or pump or water heater
has failed. Domestic hot water recirculation through is
optional.
Do not use the Intelligent Cascading Kit in tank loading
applications.
Applicable models: Bosch 830 ES, 940 ES, 940 ESO,
C 950 ES, C 1050 ES, C 1210 ES, C 1210 ESC.
DHW
return
DHW
supply
System parameters:
f Aquastat/tank sensor setpoint temperature 120-140°F,
<10°F differential.
f 30-119 gallon storage tank recommended.
f DHW return line can tie directly into tank if fittings are
available.
f Individual pumps can be used on supply to each
heater (as shown) or one pump for the entire system.
f Maintain a 20 degree difference between tankless
set-point and desired tank temperature.
See Chapter 5.2 for recirculation pump parameters

Table of Contents

Other manuals for Bosch C1210ES

Related product manuals