EasyManua.ls Logo

Bosch KBR28-3 - Page 87

Bosch KBR28-3
100 pages
To Next Page IconTo Next Page
To Next Page IconTo Next Page
To Previous Page IconTo Previous Page
To Previous Page IconTo Previous Page
Loading...
Spare parts | 87
6 720 810 590 (2015/05)
Greenstar FS
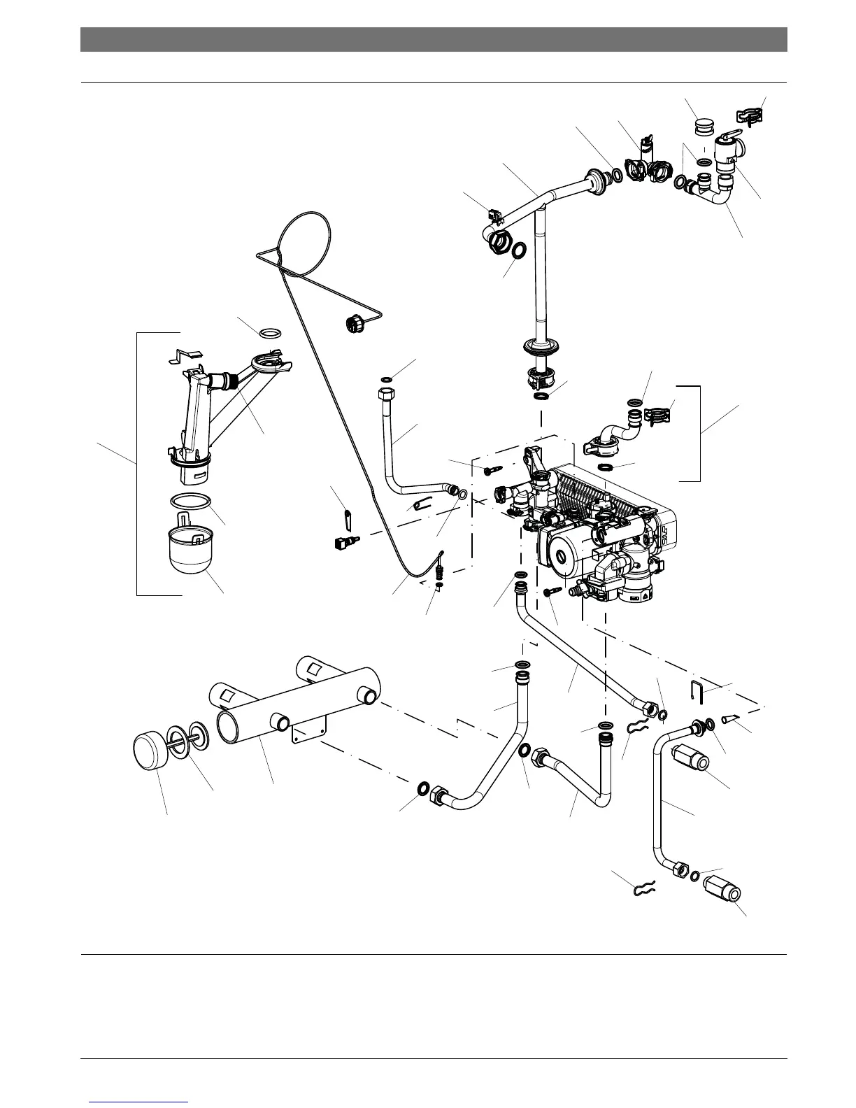
Fig. 97 Group 4 - Pipes combi boiler KWB..3A Greenstar
12
28
21
11
11
9
29
37
32
24
25
1
41
26
2
35
42
30
15
11
20
15
14
31
38
7
17
38
27
36
18
7
31
11
19
34
27
23
22
33
33
8
34
5
7
10
11
12
13
10
Item 39 (Flow sensor) not shown
6720810590-76.2Wo

Table of Contents

Related product manuals