EasyManua.ls Logo

Bosch KWB35-3A - Group 4 - Pipes Combi Boiler KWB

Bosch KWB35-3A
100 pages
To Next Page IconTo Next Page
To Next Page IconTo Next Page
To Previous Page IconTo Previous Page
To Previous Page IconTo Previous Page
Loading...
Spare parts
Greenstar FS/Combi FS – 6 720 810 590 (2020/04)
88
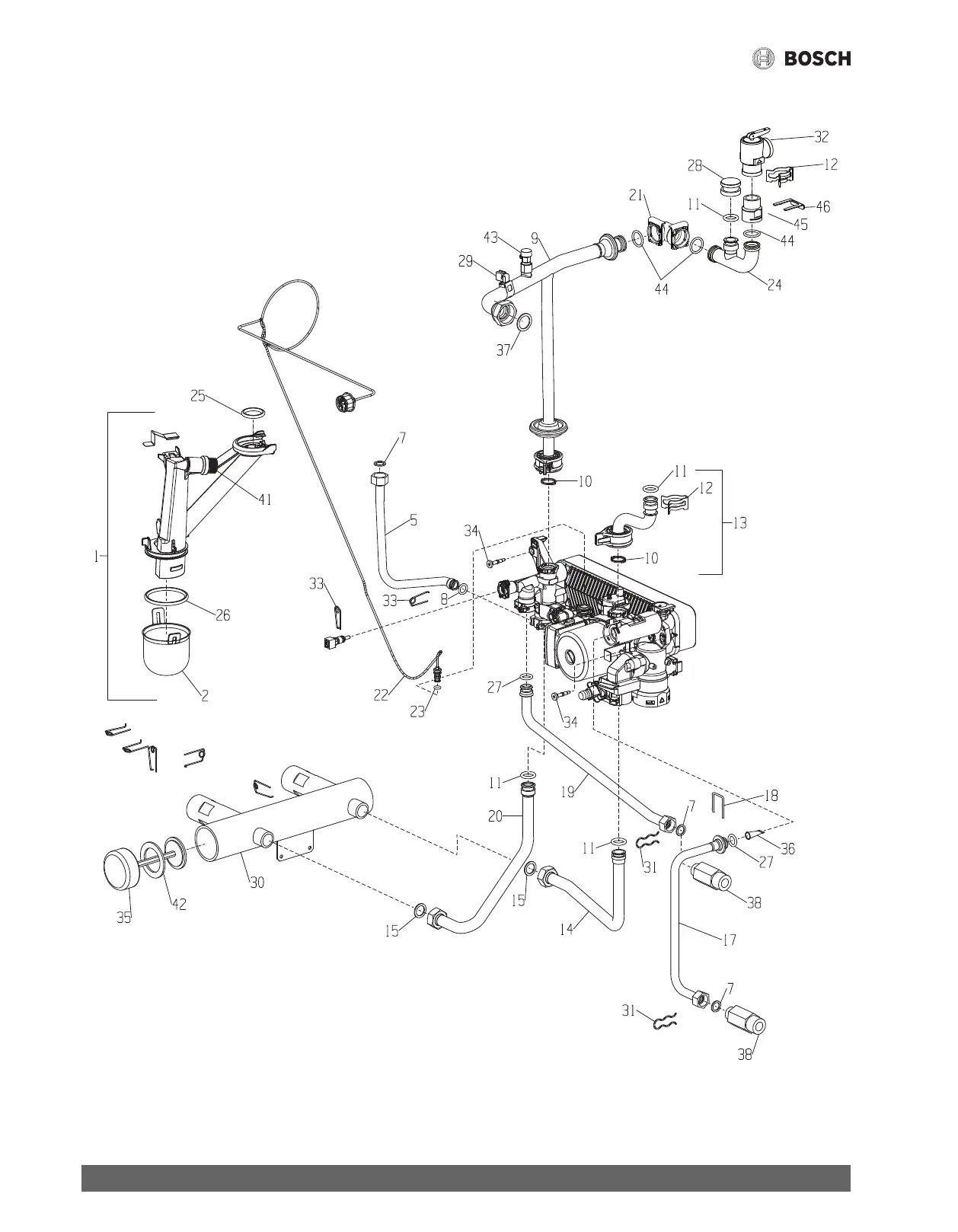
19.4 Group 4 - Pipes combi boiler KWB..3A - Greenstar
Fig. 101 Group 4 - Pipes combi boiler KWB..3A Greenstar
Item 39 (Flow sensor) not shown
0010025824-01

Table of Contents

Related product manuals