EasyManua.ls Logo

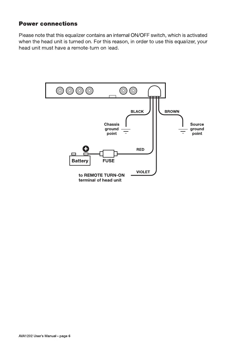
Boss AVA1202 - Power Wiring Requirements; Remote Turn-On Lead Necessity

Boss AVA1202
7 pages
Print Icon
To Next Page IconTo Next Page
To Next Page IconTo Next Page
To Previous Page IconTo Previous Page
To Previous Page IconTo Previous Page
Loading...

Related product manuals