EasyManua.ls Logo

Bottarini GDP31 - 4 Construction and Functional Description

Default Icon
62 pages
Print Icon
To Next Page IconTo Next Page
To Next Page IconTo Next Page
To Previous Page IconTo Previous Page
To Previous Page IconTo Previous Page
Loading...
15
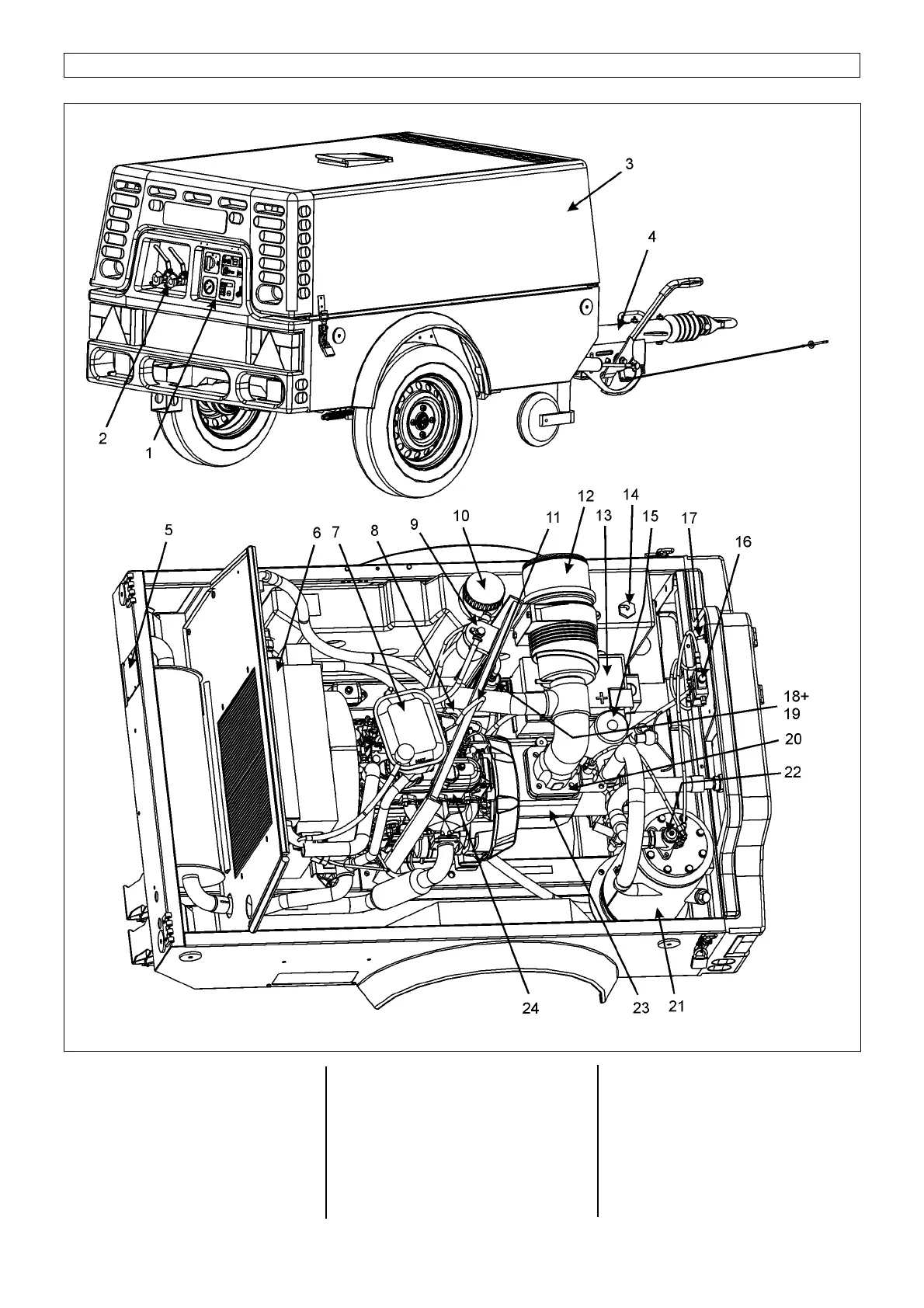
4. Construction and functional description
Fig. 7
1 Instrument panel
2 Taps
3
Hood
4
Chassis
5
Identification plate
6
Radiator
7
Expansion tank
8 Engine actuating cylinder
9
Fuel filter including drain valve
10 Fuel tank
11 Crane ring
13 Air filter
14 Battery
15 Oil filter (compressor)
16 Proportional controller
17 Main switch
18
Fuel pump
19
Fuel line filter
20 Suction controller
21 Pressure tank
22 Pressure retaining non-return valve
23 Compressor
24 Engine

Table of Contents

Related product manuals