EasyManua.ls Logo

Bottarini GDP31 - Generator Switchbox Wiring Diagram GTS 110 V 6 Kva

Default Icon
62 pages
Print Icon
To Next Page IconTo Next Page
To Next Page IconTo Next Page
To Previous Page IconTo Previous Page
To Previous Page IconTo Previous Page
Loading...
11. Generator option
45
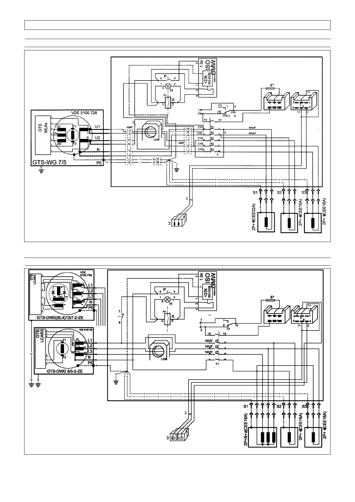
11.10 Generator switchbox wiring diagram GTS 110V 6kVA
Fig. 43
11.11 Generator switchbox wiring diagram GTS 400/230V 8kVA
Fig. 44
PROTECTIVE ISOLATION WITH INSULATION MONITORING
AND FUSING/CIRCUIT BREAKING FOR ALL POLES
K = OPERATING CURRENT CIRCUIT BREAKER
H =INSULATION FAULT INDICATOR LAMP
R = GMW/ISO INSULATION MONITOR
P = TEST BUTTON
6
-
PIN CONNECTOR
CONTACTS VIEW
MODE SELECTOR SWITCH
POSITION 1: OPEN
POSITION 2: CLOSED
MECHANICAL
COUPLING TO F1
TO 4 POLE AMP
PLUG ON WLAX-
CONTROLLER
BROWN
<
BLACK
CURRENT CONVERTER
ON WLAX CONTROLLER
BLUE
IF THERE IS NO INFORMATION
ON THE LINE LEAD CROSS-
SECTION, THEY ARE 2.5 mm
2
POWER SUPPLY
AUTOMATIC NO-LOAD OPERATION
OPTIONAL, EXTERNAL PE CONNECTION
ATTENTION:
TRIP-FREE RELEASING OF ALL
CIRCUIT BREAKERS COUPLED
SWITCHBOX
TOTAL LENGTH OF EQUIPMENT
SUPPLY CABLES
< 250M
CONNECTION WITH COMPR.
WIRING HARNESS
INSERTION SIDE VIEW
EXAMPLE:
LOAD PROTECTION CLASS I
(ALSO CLASS II/SEE OPERATING
MANUAL)
AC
-
L
-
Load
AC
-
L
-
Load AC
-
L
-
Load
PROTECTIVE ISOLATION WITH INSULATION MONITORING
AND FUSING/CIRCUIT BREAKING FOR ALL POLES
K = OPERATING CURRENT CIRCUIT BREAKER
H =INSULATION FAULT INDICATOR LAMP
R = GMW/ISO INSULATION MONITOR
P = TEST BUTTON
6
-
PIN CONNECTOR
CONTACTS VIEW
YELLOW/GREEN
OPTIONAL
MECHANICAL
COUPLING TO F1
TO 4 POLE AMP
PLUG ON LCAR3-
CONTROLLER
VERSION 1.10
BROWN
BROWN
WHITE
WHITE
BLACK
BLACK
BLUE
YELLOW/
GREEN
CURRENT CONVERTER ON
LCAR3 CONTROLLER
BLUE
OPTIONAL, EXTERNAL PE CONNECTION
ATTENTION:
TRIP-FREE RELEASING OF ALL
CIRCUIT BREAKERS COUPLED
POWER SUPPLY
AUTOMATIC NO-LOAD OPERATION
PRESSURE REDUCTION
SWITCHBOX
TOTAL LENGTH OF EQUIPMENT
SUPPLY CABLES
< 250M
CONNECTION WITH COMPR.
WIRING HARNESS
INSERTION SIDE VIEW
EXAMPLE:
LOAD PROTECTION CLASS I
(ALSO CLASS II/SEE OPERATING
MANUAL)
3PH
-
Y
-
L
-
Load AC
-
L
-
Load AC
-
L
-
Load
ELECTRONIC GENERATOR
REGULATOR F OR BRUSHLESS
SYNCHRONOUS GENERAT OR
ELECTRONIC
GENERATOR
REGULATOR
ELECTRONIC
GENERATOR
REGULATOR
RESET BUTTON
FOR ISO MODULE
BROWN
BROWN
YELLOW/GREEN
YELLOW
BLUE
BLUE
YELLOW/GREEN
BLACK BLACK
YELLOW
GREEN
YELLOW
GREEN
YELLOW/GREEN

Table of Contents

Related product manuals