EasyManua.ls Logo

Bpt VA/01 - Page 42

Bpt VA/01
Print Icon
To Next Page IconTo Next Page
To Next Page IconTo Next Page
To Previous Page IconTo Previous Page
To Previous Page IconTo Previous Page
Loading...
2
VA/01
4
VA/01
2
2
4
VSE/301
2
4
VSE/301 VSE/301
VA/01
A A B
Page 10 - Manuel FB00353-FR - vers. 1 - 12/2015 - © CAME S.p.A.
Le contenu du manuel est susceptible de subir des modifications à tout moment et sans aucun préavis.
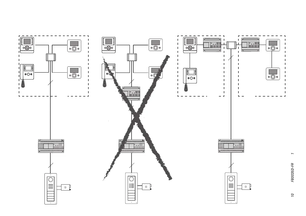
VA/01 ne permet qu'un seul groupe intercommunicant.
Pour ajouter d'autres groupes communicants, il faut installer, pour chaque groupe, un sélecteur VSE/301 en aval du distributeur vidéo. Il est impossible de
configurer en même temps un groupe intercommunicant avec VA/01 et d'autres avec VSE/301.

Other manuals for Bpt VA/01

Related product manuals