EasyManua.ls Logo

Bpt VA/01 - Page 8

Bpt VA/01
Print Icon
To Next Page IconTo Next Page
To Next Page IconTo Next Page
To Previous Page IconTo Previous Page
To Previous Page IconTo Previous Page
Loading...
B
VA/01
+12V
M2
+
-
B IN1
B IN2
B IN3
B OUT
DVC/01
-
-
-
M2
12V
+
-
M1
B OUT
+
-
M1
B OUT
DVC/01
-
-
-
M2
12V
V+
V–
+
+
-
B
-
V4
-
V3
-
V2
V1
-
VSC/01
Le
L2
L1
Pag. 8 - Manuale FB00353-IT - ver. 1 - 12/2015 - © CAME S.p.A.
I contenuti del manuale sono da ritenersi suscettibili di modifica in qualsiasi momento senza obbligo di preavviso.
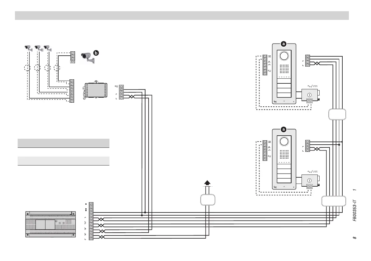
ESEMPI D'IMPIANTO CON VA/01
Impianto plurifamiliare con 󱤎 2 posti esterni e 󱤏 4 videocamere separate.
Ai morsetti IN dei montanti
verso i derivati interni.
Distanze ammesse con cavo
VCM/2D
Linea /m
L1, L2 100
L1 + L2 200

Other manuals for Bpt VA/01

Related product manuals