EasyManua.ls Logo

Bras Quark - Page 38

Bras Quark
Print Icon
To Next Page IconTo Next Page
To Next Page IconTo Next Page
To Previous Page IconTo Previous Page
To Previous Page IconTo Previous Page
Loading...
QUARK
38
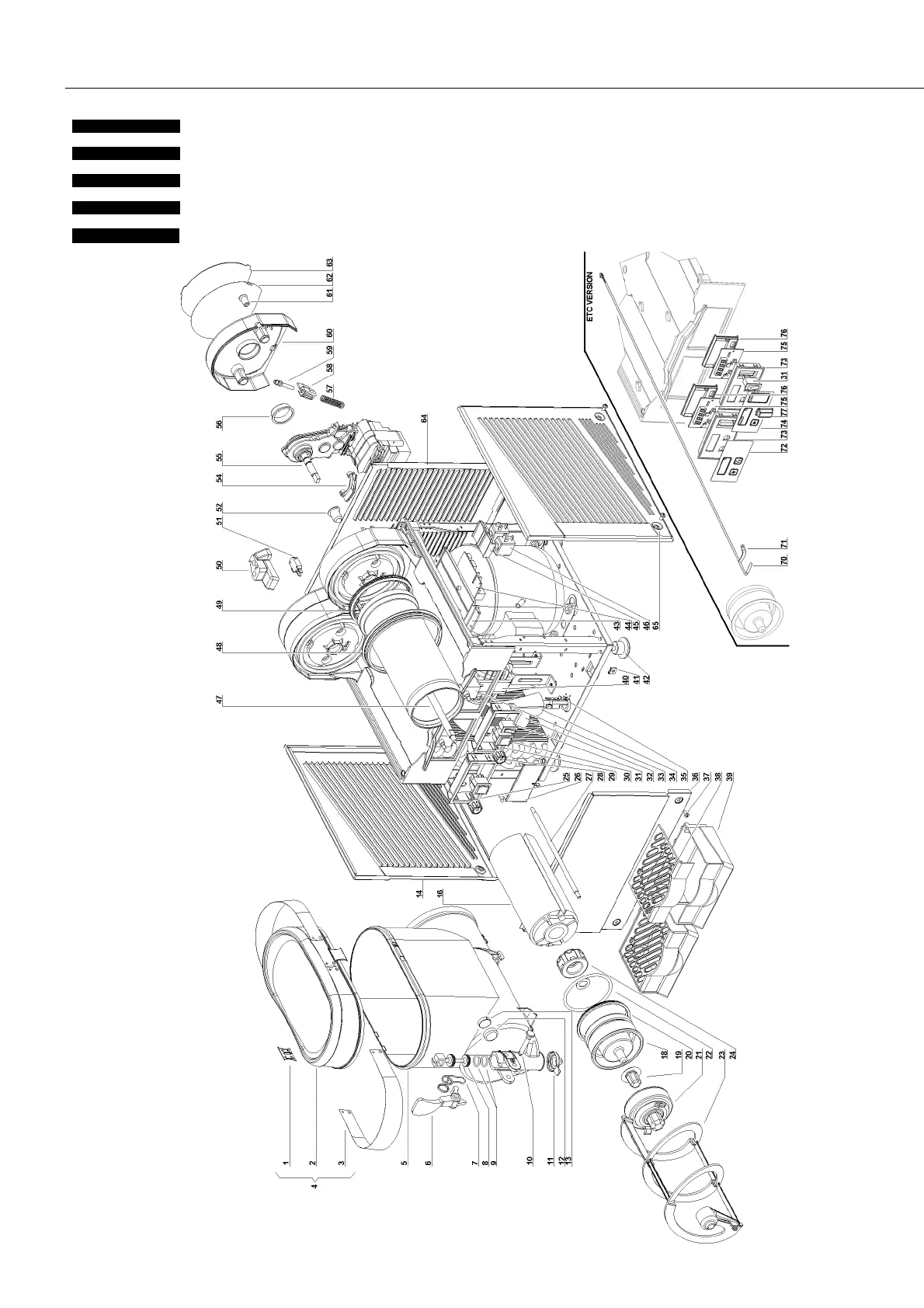
ELENCO RICAMBI
SPARE PARTS LIST
LISTE DES PIECES DE RECHANGE
ERSATZTEILLISTE
DESCRIPCION PIEZAS DE REPUEST
ITALIANO
ENGLISH
FRANCAIS
DEUTSCH
ESPAÑOL
2463_99 V 1.0 10L19

Related product manuals