EasyManua.ls Logo

Bri-Mar DTR610LP - Safety Warning Labels on Your Trailer

Default Icon
146 pages
Print Icon
To Next Page IconTo Next Page
To Next Page IconTo Next Page
To Previous Page IconTo Previous Page
To Previous Page IconTo Previous Page
Loading...
General Safety Information
Bri-Mar 21
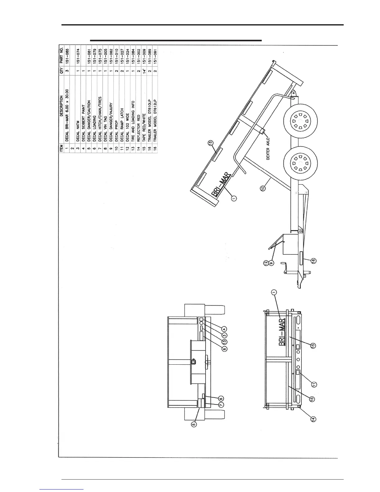
2.2.17 Safety Warning Labels on Your Trailer
Figure 2-1. Bumper Pull Safety Warning Label Locations.
Trailers

Table of Contents

Related product manuals