EasyManua.ls Logo

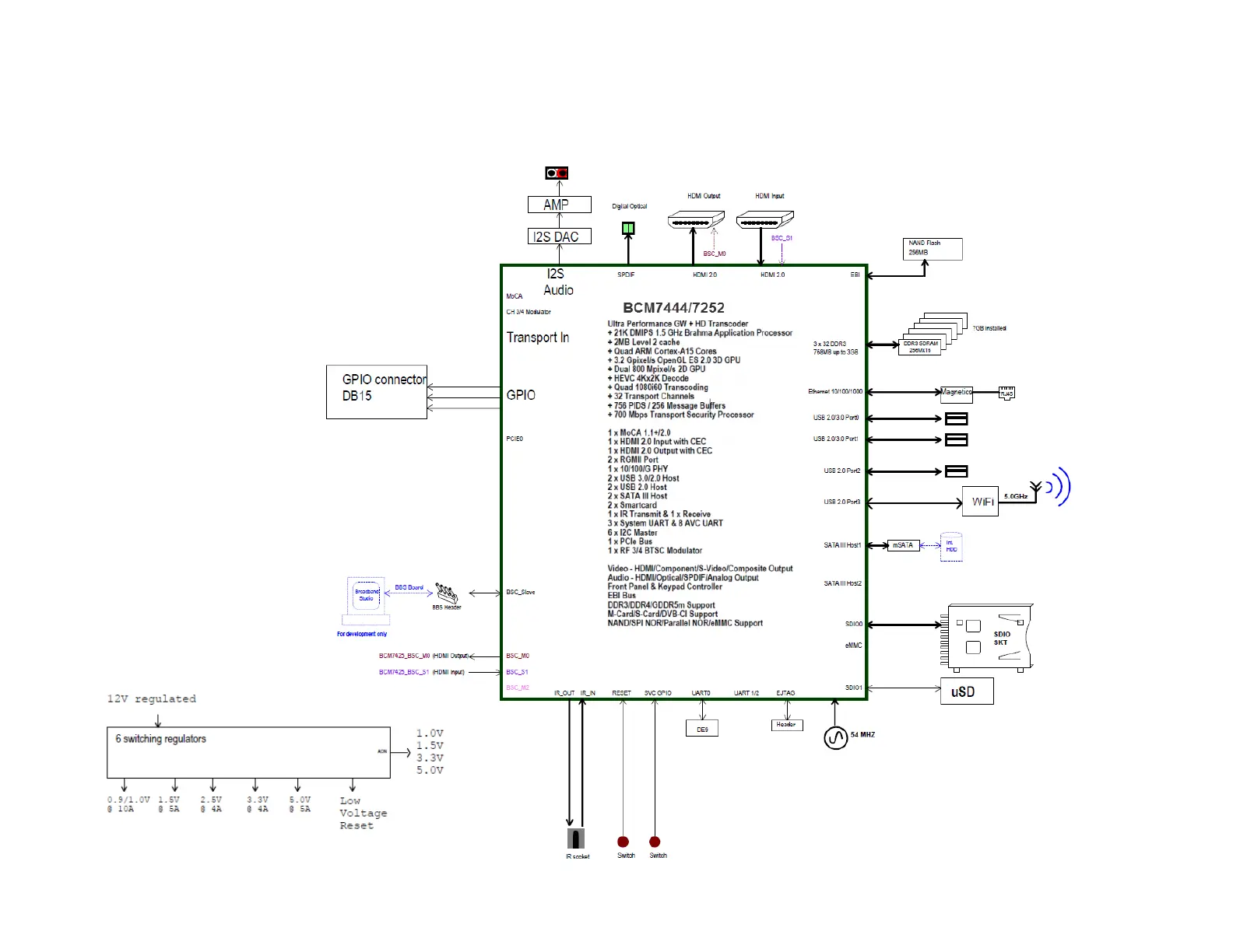
BrightSign 4K Series - Block Diagram

BrightSign 4K Series
26 pages
Print Icon
To Next Page IconTo Next Page
To Next Page IconTo Next Page
To Previous Page IconTo Previous Page
To Previous Page IconTo Previous Page
Loading...
BrightSign 4K242, 4K1042, 4K1142
2
All information provided in this reference manual applies to products under development. The characteristics and specifications of these products are subject to
change without notice. BrightSign assumes no obligation regarding future manufacturing unless otherwise agreed to in writing. © BrightSign LLC, 2014
Block Diagram

Related product manuals