EasyManua.ls Logo

Brother HL-L2350DW - Eject Sensor PCB ASSY

Brother HL-L2350DW
248 pages
To Next Page IconTo Next Page
To Next Page IconTo Next Page
To Previous Page IconTo Previous Page
To Previous Page IconTo Previous Page
Loading...
3-58
Confidential
9.27 Eject sensor PCB ASSY
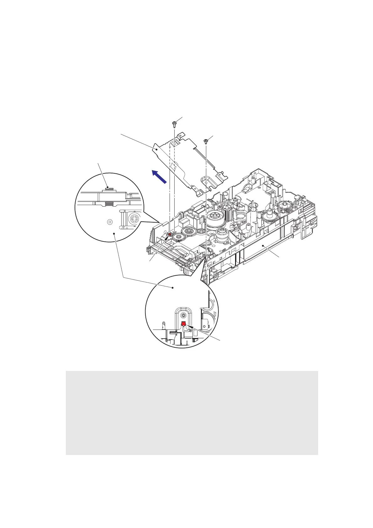
(1) Remove the Taptite cup S M3x8 SR screw and the Screw pan (S/P washer) M3x12DB
screw. Lift the upper side of the Main shield plate up to remove it from the Pin, and pull out
the Main shield plate in the direction of the arrow to remove it from the Rib of the Frame L
unit.
Fig. 3-57
Assembling Note:
When assembling the Main shield plate, check that the Main PCB ground spring is not
inclined. Attach it correctly as shown in the figure above.
If you removed the Main shield plate while the Fuser unit was attached on the machine,
release the Side thermistor harness ASSY and the Center thermistor harness ASSY
from the securing fixture of the Frame L unit. Then tighten the screw for the Main shield
plate and secure each harness in the securing fixture. If the Main shield plate is
assembled while the Fuser unit is attached to the machine, the Side thermistor harness
ASSY and the Center thermistor harness ASSY may be caught.
Screw pan (S/P washer) M3x12DB
Main shield plate
Taptite cup S M3x8 SR
Frame L unit
Main PCB ground spring
Main shield plate
Rib
Pin

Table of Contents

Other manuals for Brother HL-L2350DW

Related product manuals