EasyManua.ls Logo

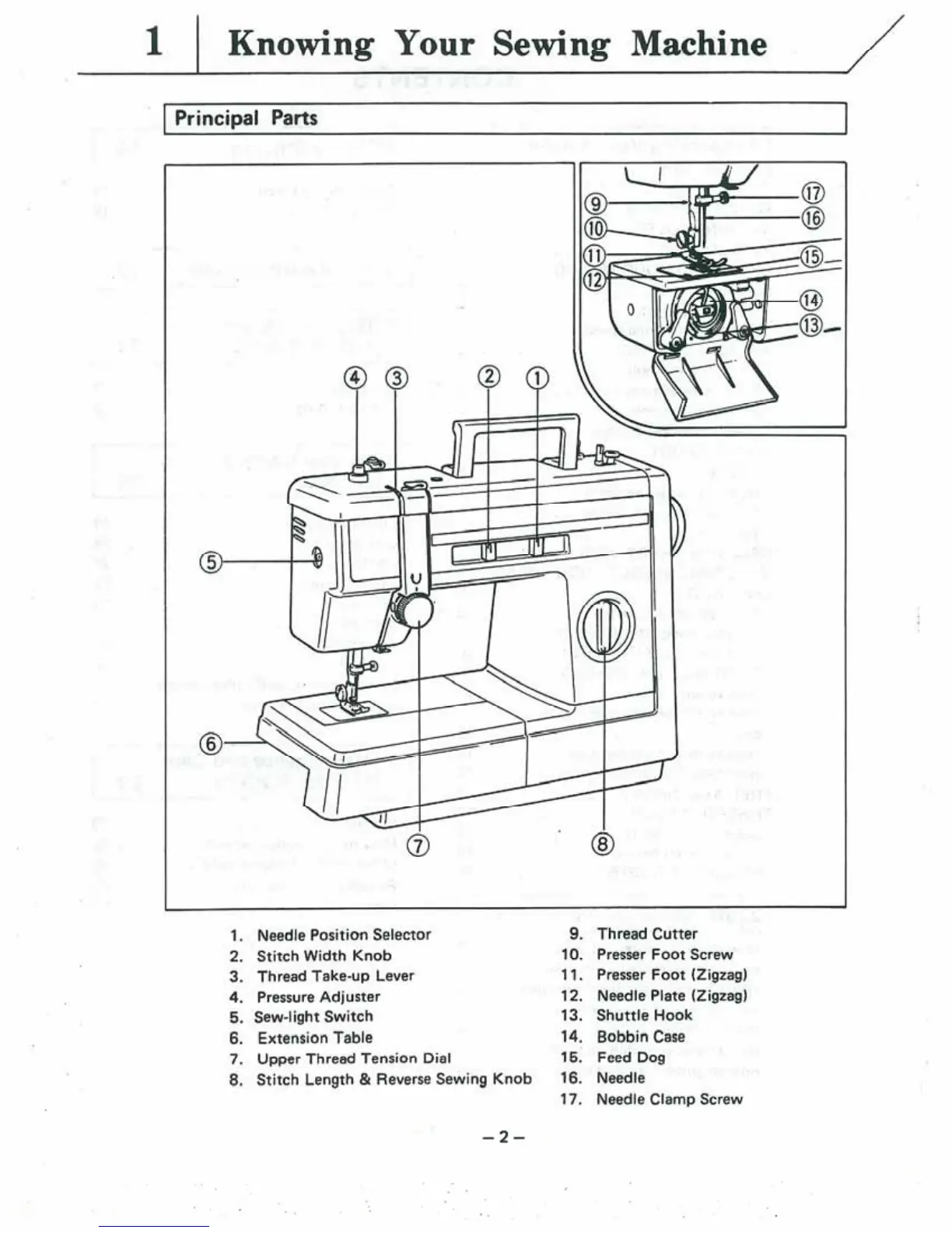
Brother VX-810 - Knowing Your Sewing Machine; Principal Parts

Brother VX-810
40 pages
Print Icon
To Next Page IconTo Next Page
To Next Page IconTo Next Page
To Previous Page IconTo Previous Page
To Previous Page IconTo Previous Page
Loading...

Table of Contents

Related product manuals