EasyManua.ls Logo

Brutus 61024BR - Pièces Éclatées

Brutus 61024BR
48 pages
Print Icon
To Next Page IconTo Next Page
To Next Page IconTo Next Page
To Previous Page IconTo Previous Page
To Previous Page IconTo Previous Page
Loading...
– 26 –
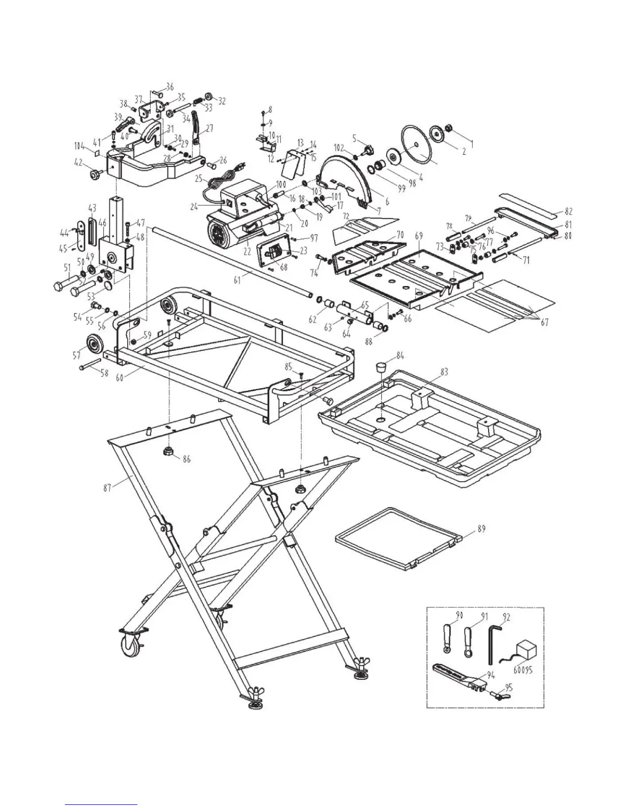
PIÈCES ÉCLATÉES
6-1003Q

Table of Contents

Related product manuals