EasyManua.ls Logo

Bryant 558D - Wiring Schematic

Bryant 558D
68 pages
Print Icon
To Next Page IconTo Next Page
To Next Page IconTo Next Page
To Previous Page IconTo Previous Page
To Previous Page IconTo Previous Page
Loading...
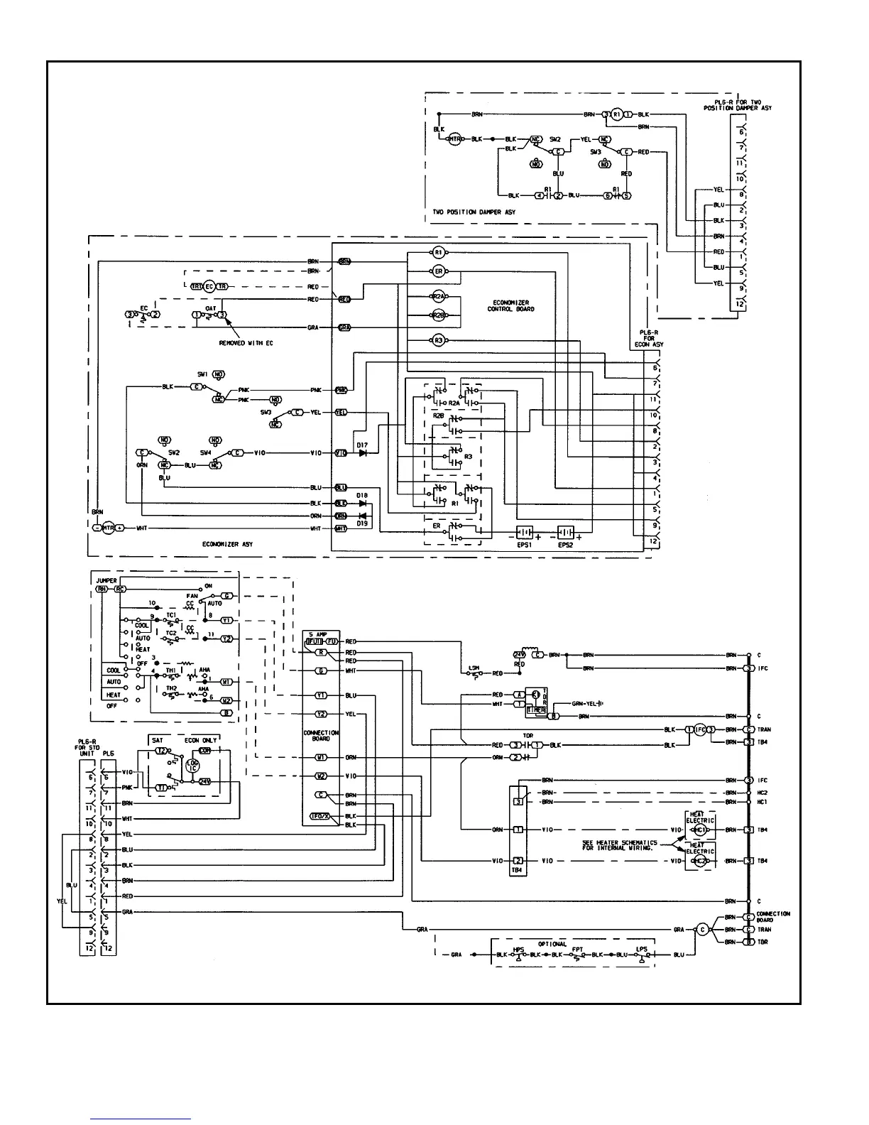
TYPICAL WIRING SCHEMATIC 558D036-150
(See Legend, page 59.)
56

Other manuals for Bryant 558D

Related product manuals