EasyManua.ls Logo

Bryant 558D - Typical Wiring Schematic

Bryant 558D
68 pages
Print Icon
To Next Page IconTo Next Page
To Next Page IconTo Next Page
To Previous Page IconTo Previous Page
To Previous Page IconTo Previous Page
Loading...
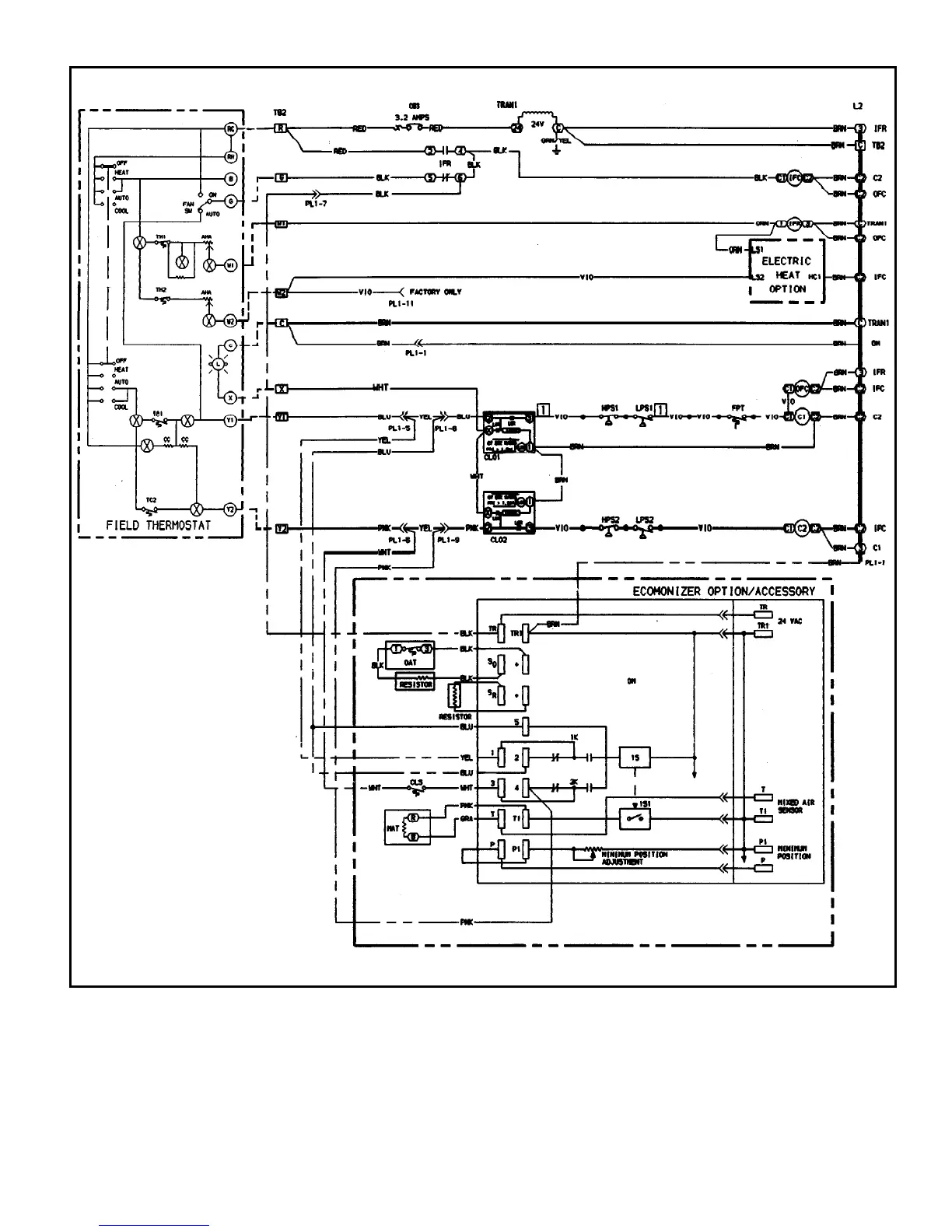
TYPICAL WIRING SCHEMATIC 559F180-300
(See Legend, page 59.)
57

Other manuals for Bryant 558D

Related product manuals