EasyManua.ls Logo

Bryant 821T - Page 15

Bryant 821T
56 pages
Print Icon
To Next Page IconTo Next Page
To Next Page IconTo Next Page
To Previous Page IconTo Previous Page
To Previous Page IconTo Previous Page
Loading...
15
A190054
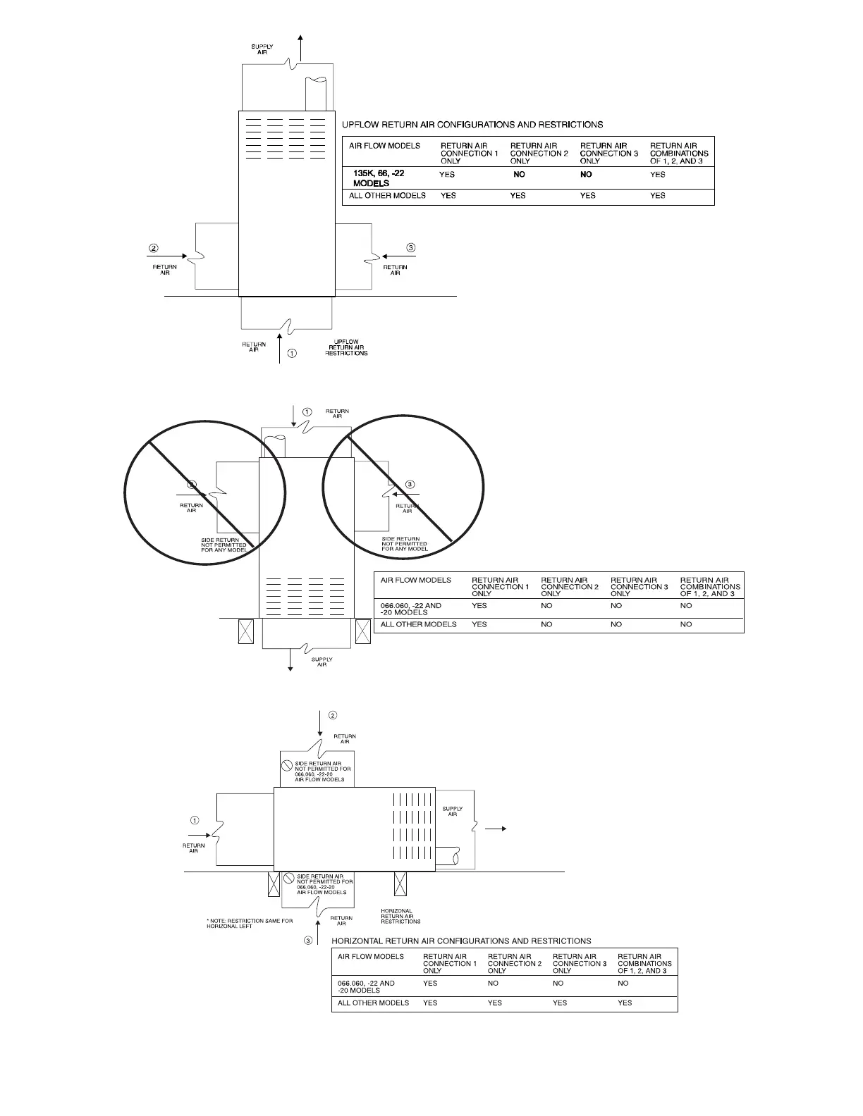
Fig. 18 -- Upflow Return Air Configurations and Restrictions
DOWNFLOW RETURN AIR CONFIGURATIONS AND RESTRICTIONS
A02163
Fig. 19 -- Downflow Return Air Configurations and Restrictions
A02162
Fig. 20 -- Horizontal Return Air Configurations and Restrictions

Related product manuals