EasyManua.ls Logo

BSS Audio BLU-50 - Opto Output

BSS Audio BLU-50
20 pages
Print Icon
To Next Page IconTo Next Page
To Next Page IconTo Next Page
To Previous Page IconTo Previous Page
To Previous Page IconTo Previous Page
Loading...
9
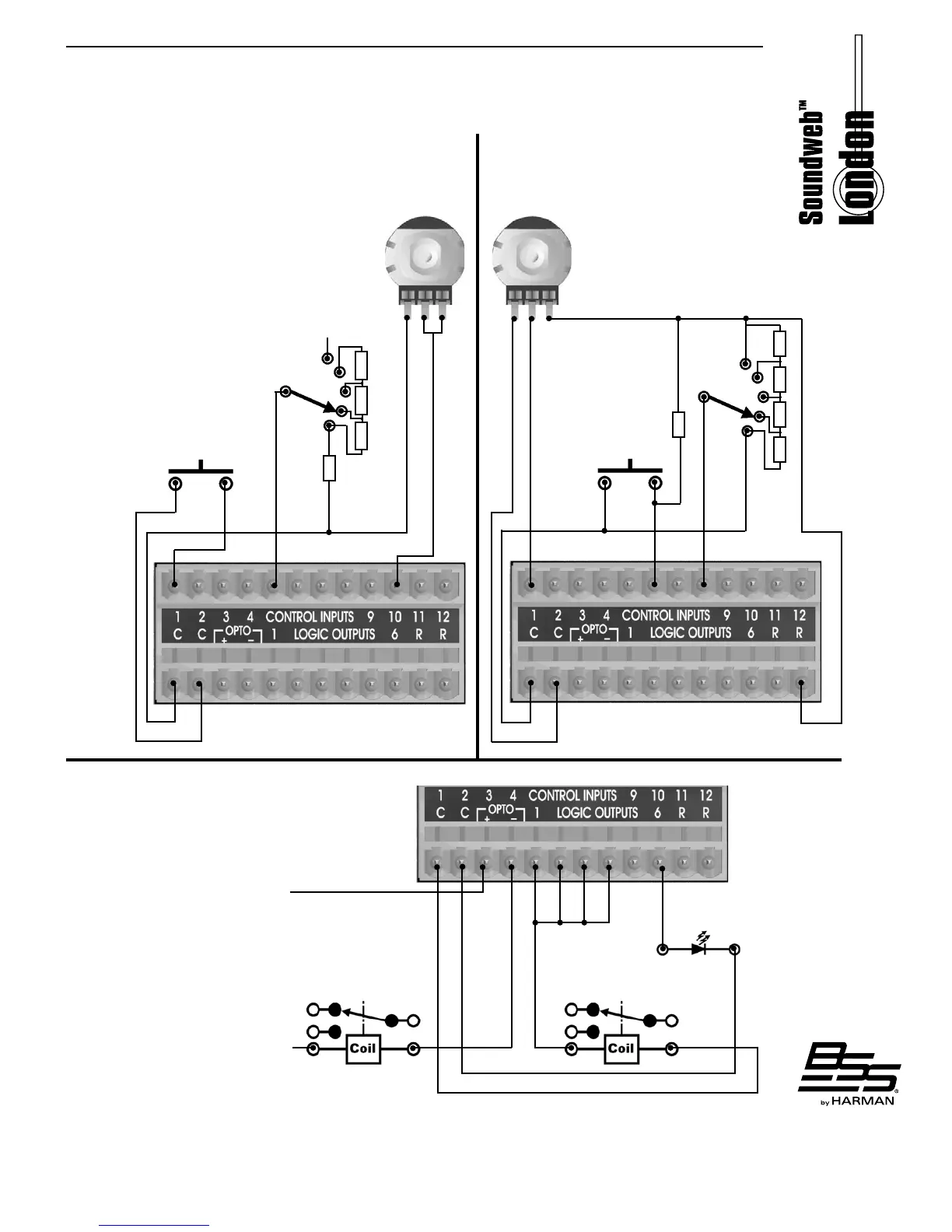
Opto Output
In addition to the six standard LOGIC OUTPUTS, there is an isolated output, which fails safe (open circuit) if the
unit becomes faulty
switch
2-wire mode
relay
LED
relay
3600R 1800R
1200R
unconnected
ladder
+supply voltage
47kOhm
log
potentiometer
10K-100kOhm
linear
potentiometer
switch
1k 1k 1k
ladder
1k
ground
4k7
3-wire mode
470R