EasyManua.ls Logo

Buckleys PST-100 - Calculating Test Voltage

Buckleys PST-100
20 pages
Print Icon
To Next Page IconTo Next Page
To Next Page IconTo Next Page
To Previous Page IconTo Previous Page
To Previous Page IconTo Previous Page
Loading...
PST-100
9
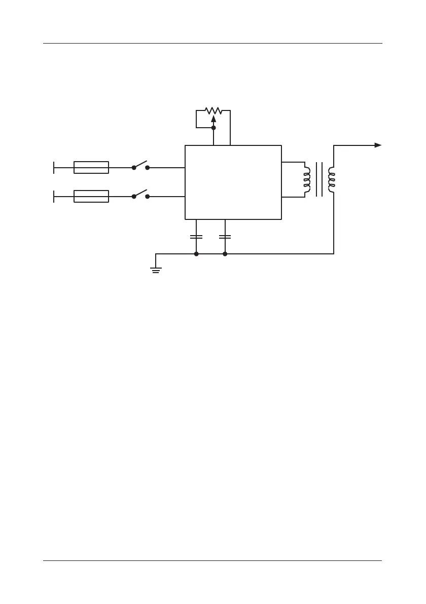
Below is a pictorial representation of the PST-100, detailing the functional
earth terminal arrangement.
Output adjustment pot
L fuse
L
Switch 1
Control
electronics
HT terminal
+
-
N
N fuse
Switch 2
-
+
Nose
cone
Y capacitors
PST-100 functional earth terminal arrangement
Calculating the test
voltage
The test voltage needs to be high enough to locate a fault but not
so
high as to cause one. With reference to BS EN 60052:2002, (measurement
of voltage with Sphere-Gaps) it can be seen that 32,000 volts will
jump a gap of 1cm between spheres of 5cm diameter, however the
same voltage will jump a gap of nearly 3cm between needles. This is
because the shape of the electrode affects the point at which corona
discharge starts. A spark or arc over, will occur when the voltage is high
enough such as to cause localised breakdown of the air between the
electrodes, a spark then forms, ionising the air drastically reducing its
electrical resistance.
For materials with a thickness in the range of 1mm to 30mm, the NACE
Standard SP-02-74 voltage calculation formula is normally used.

Other manuals for Buckleys PST-100