EasyManua.ls Logo

Bucktool DP12VL - Page 24

Bucktool DP12VL
28 pages
Print Icon
To Next Page IconTo Next Page
To Next Page IconTo Next Page
To Previous Page IconTo Previous Page
To Previous Page IconTo Previous Page
Loading...
22
DP12VL
23
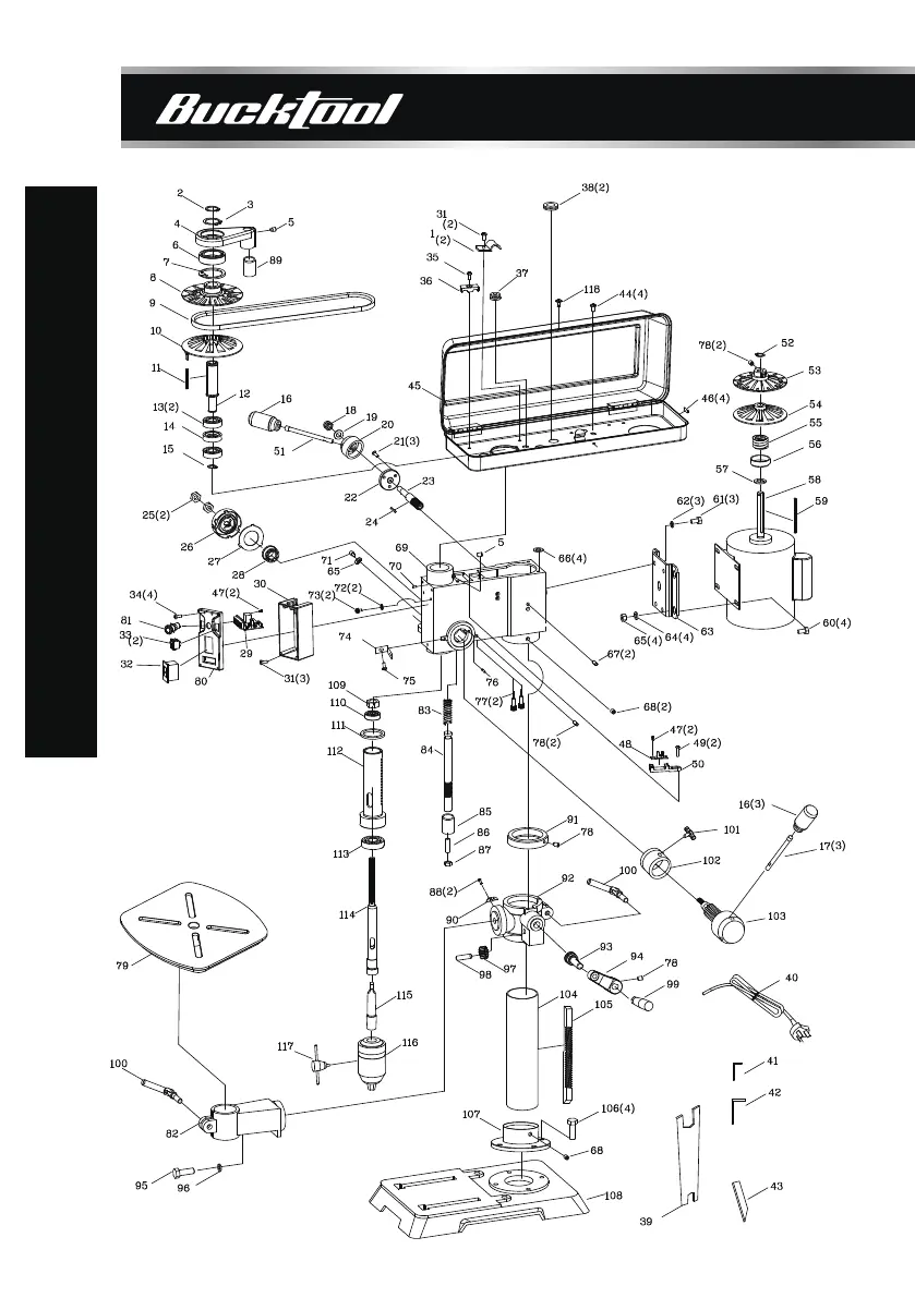
EXPLODED VIEW

Related product manuals