EasyManua.ls Logo

Buick 2008 Allure - Page 314

Buick 2008 Allure
426 pages
Print Icon
To Next Page IconTo Next Page
To Next Page IconTo Next Page
To Previous Page IconTo Previous Page
To Previous Page IconTo Previous Page
Loading...
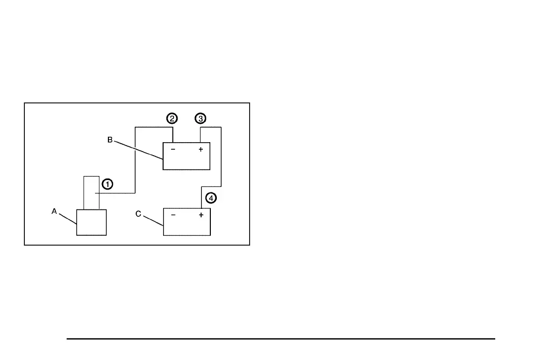
Notice: If the jumper cables are connected or
removed in the wrong order, electrical shorting may
occur and damage the vehicle. The repairs would
not be covered by your warranty. Always connect
and remove the jumper cables in the correct
order, making sure that the cables do not touch
each other or other metal.
A. Heavy, Unpainted Metal Engine Part or Remote
Negative () Terminal
B. Good Battery or Remote Positive (+) and Remote
Negative () Terminals
C. Dead Battery or Remote Positive (+) Terminal
To disconnect the jumper cables from both vehicles,
do the following:
1. Disconnect the black negative () cable from the
vehicle that had the dead battery.
2. Disconnect the black negative () cable from the
vehicle with the good battery.
3. Disconnect the red positive (+) cable from the
vehicle with the good battery.
4. Disconnect the red positive (+) cable from the other
vehicle.
5. Return the fuse block cover to its original position.
Jumper Cable Removal
5-54

Table of Contents

Related product manuals