EasyManua.ls Logo

Bunn Single TF DBC - Schematic Wiring Diagram: 120 V AC Single Phase; 120 Volt AC Single Phase, 60 Hz Wiring

Bunn Single TF DBC
54 pages
Print Icon
To Next Page IconTo Next Page
To Next Page IconTo Next Page
To Previous Page IconTo Previous Page
To Previous Page IconTo Previous Page
Loading...
Page 53
36883.0002A 11/04 © 2004 Bunn-O-Matic Corporation
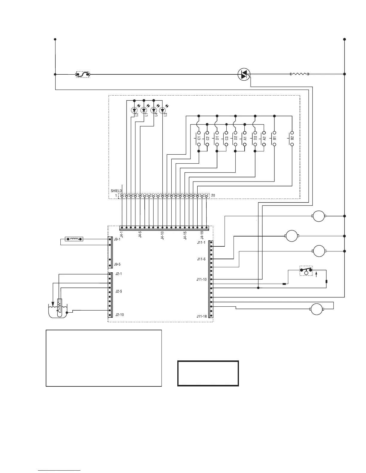
120 VOLT A.C.
2 WIRE SINGLE PHASE
60HZ
SCHEMATIC WIRING DIAGRAM
SINGLE TF DBC
FUNNEL LOCK
SOL
SOL
SOL
SOL
BREW
BYPASS
REFILL
WHI
WHI
WHI
VIO
GRY
WHI/GRN
BRN/WHI
BRN/BLK
TAN
YEL
BLK
WHI
N
TANK HEATER
TRIAC
MT 1 BLU-14 WHI-14BLK-14BLK-14
MT2
L1
LIMIT THERMOSTAT
FUNNEL SENSOR
WHI/VIO
VIO
WHI
PNK
BLK
GRN
TEMP PROBE
WATER LEVEL
PROBE
RED RED
N.C.
OVERFLOW
PROTECTION SWITCH
CONTROL PC BOARD
SWITCH UNIT ASSEMBLY
Switch Unit Assembly Codes
A1 Brew
A2 On/Off
B1 "Hidden" Left
B2 "Hidden" Right
C1 Large Batch
C2 Medium Batch
C3 Small Batch
D1 "Digital" Left Hidden Button
D2 "Brewer" Center Hidden Button
D3 "Control" Right Hidden Button
LED's
L1 Large Batch LED
L2 Medium Batch LED
L3 Small Batch LED
L4 On/Off LED
35879.1 071405

Other manuals for Bunn Single TF DBC

Related product manuals