EasyManua.ls Logo

Cadac S-Type - Page 14

Cadac S-Type
74 pages
Print Icon
To Next Page IconTo Next Page
To Next Page IconTo Next Page
To Previous Page IconTo Previous Page
To Previous Page IconTo Previous Page
Loading...
2-4 Connections and setup
S-Type Revision S2005-6
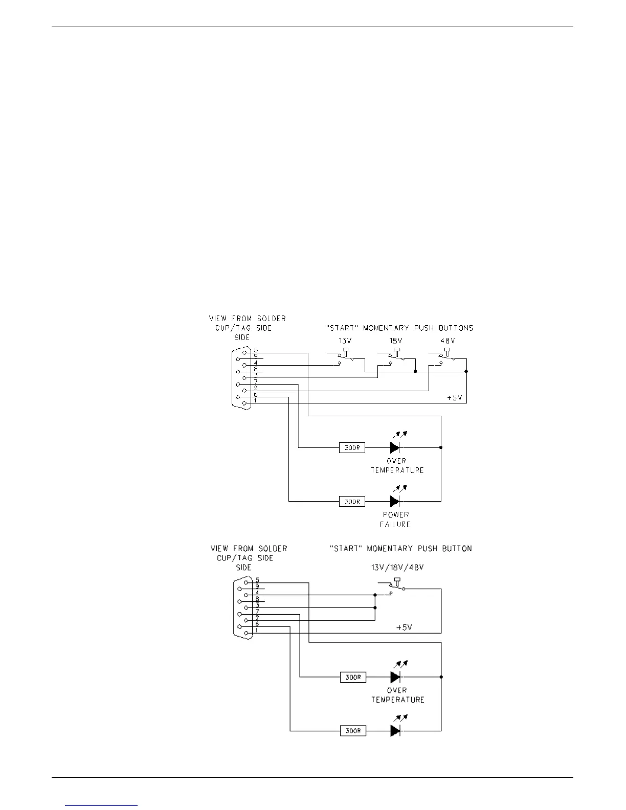
51617 5HPRWH#VWDUW#RI#WKH#368
Each 8500 switch-mode power supply provides the following outputs: 13V, ±18V and
48V. Each PSU is fitted with a front panel mounted 9-way ‘D-type’ connector labelled
“Connections for Remote Start”. If a remote start facility is used, Power Failure and
Over-temperature LEDs may also be fitted with the remote start switches if required.
Fig 2-5 shows the circuit for starting up a ‘system’ with a single switch. This has
proved to be the most popular method of connecting the remote start facility. This cir-
cuit can easily be extended to provide a single switch for all PSUs if required. If mul-
tiple switches are to be used, see fig 2-4.
NOTE:
The remote start switch must be of a ‘momentary’ type. You can use 3 separate
single pole switches for each power supply to turn on 13V, ±18V and 48V outputs of
the PSUs alternatively use one single pole for the whole lot.
The remote switch(es) must be mounted on a metal panel.
Use shielded cable for the remote switch wiring.
The 9-way D-type free plug must have a conductive shell. This is to ensure that
the cable shield connects directly to the PSU unit chassis.
Connect the cable shield to the metal panel where the remote start switch(es)
are mounted.
FIG 2-4. Remote start with multiple switches
FIG 2-5. Remote start with a single switch

Related product manuals