EasyManua.ls Logo

Cambridge Engineering S Series - Gas Train Drawings and Configurations

Default Icon
78 pages
Print Icon
To Next Page IconTo Next Page
To Next Page IconTo Next Page
To Previous Page IconTo Previous Page
To Previous Page IconTo Previous Page
Loading...
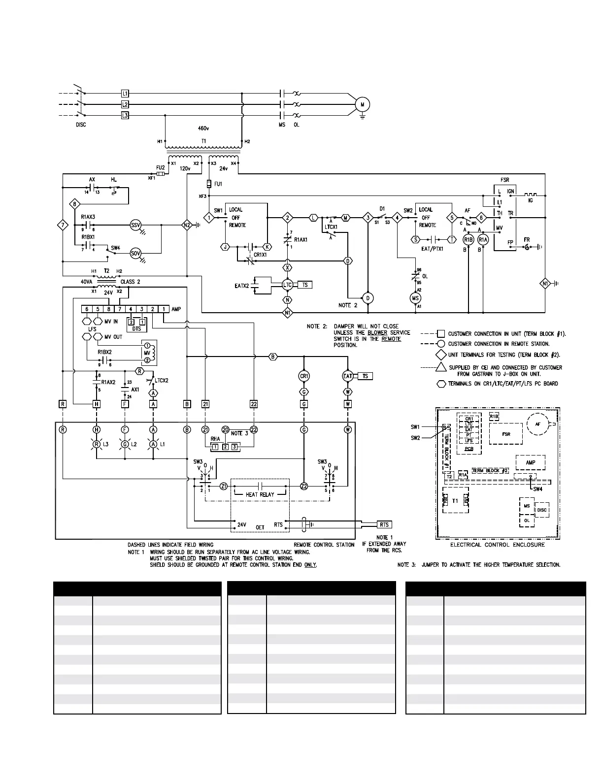
S-Series Technical Manual 61 Cambridge Engineering, Inc.
400,000 BTU & ABOVE
EDR Controls
Symbol Description
AF Air Flow Switch
AMP Amplifier Solid State
AX1 Auxiliary Contact
AX Auxiliary Contact
CR1 Control Relay
D & D1 Damper Motor & End Switch
DISC Service Disconnect Non - Fused
DTS Discharge Temperature Sensor
EAT Entering Air Thermostat
FR Flame Rod
FSR Flame Safeguard Relay
FU1 Fuse 24 Volt Control
Symbol Description
FU2 Fuse 120 Volt Control
HL High Limit
IG Igniter
L1 Light - Alarm
L2 Light - Fan
L3 Light - Heat
LFS Low Fire Start
LTC Low Temperature Cutout
M Motor
MS Motor Starter
MV Modulating Valve
OL Overload Relay
Symbol Description
RHA Remote Heat Adjust
RTS Remote Temperature Sensor
R1 Relay - Gas Valve
SOV Shut-Off Valve - Gas
SSV Safety Shut-Off Valve - Gas
SW1 Service Switch - Fan
SW2 Service Switch - Heat
SW3 Switch - Fan/Off/Heat
SW4 Switch - SOV Leak Test
T1 Multi-Tap Transformer (24 & 120 Volt)
T2 Class 2 Transformer (24 Volt)
TS Temperature Sensor - LTC/EAT

Related product manuals