EasyManua.ls Logo

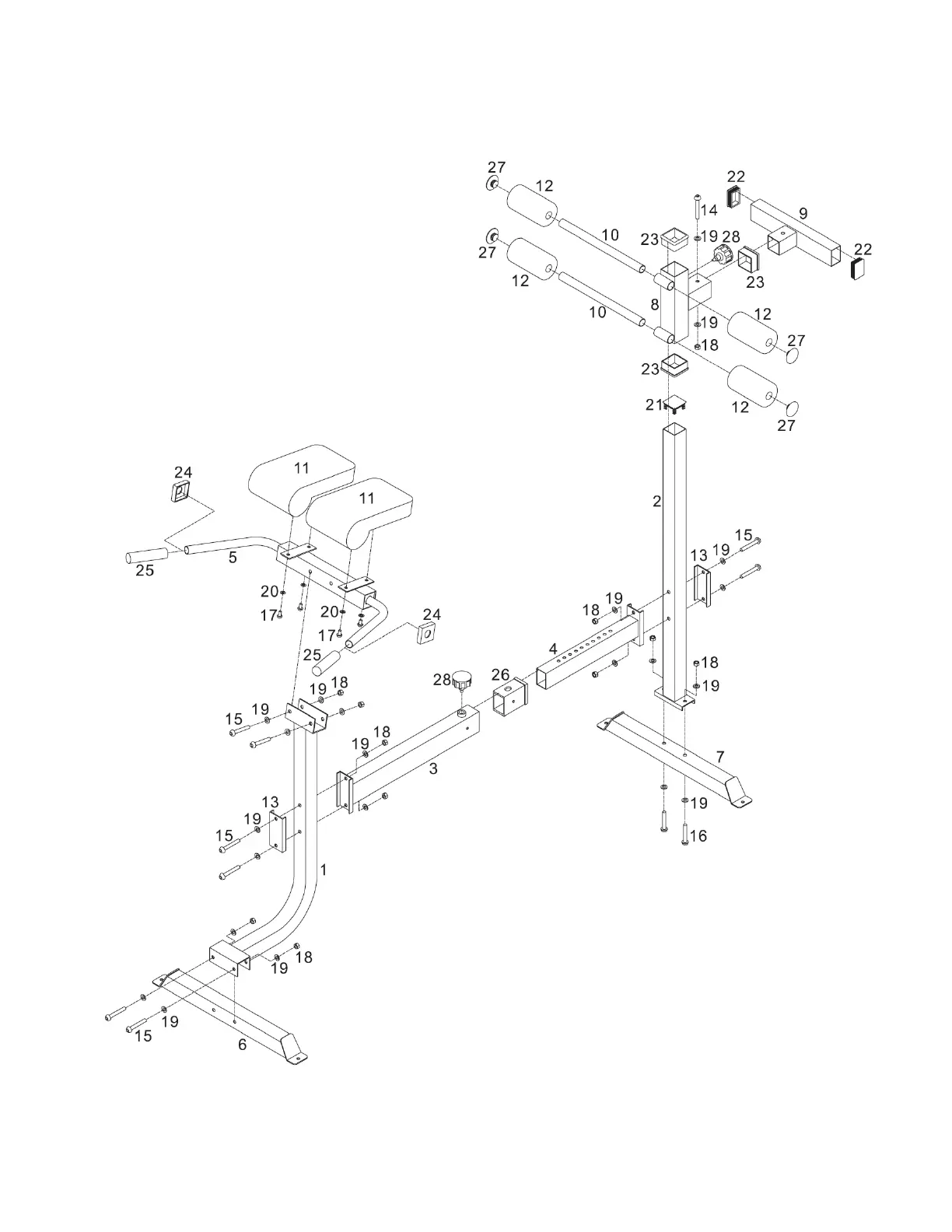
Cap Strength FM-CS709 - Exploded View Diagram

Cap Strength FM-CS709
19 pages
Print Icon
To Next Page IconTo Next Page
To Next Page IconTo Next Page
To Previous Page IconTo Previous Page
To Previous Page IconTo Previous Page
Loading...
9
6. EXPLODED VIEW / DESPIECE / VUE ÉCLATÉE

Related product manuals