EasyManua.ls Logo

Caple DI482 - Page 35

Caple DI482
48 pages
Print Icon
To Next Page IconTo Next Page
To Next Page IconTo Next Page
To Previous Page IconTo Previous Page
To Previous Page IconTo Previous Page
Loading...
Instruction manual Di482 35
Please keep this instruction manual for future reference
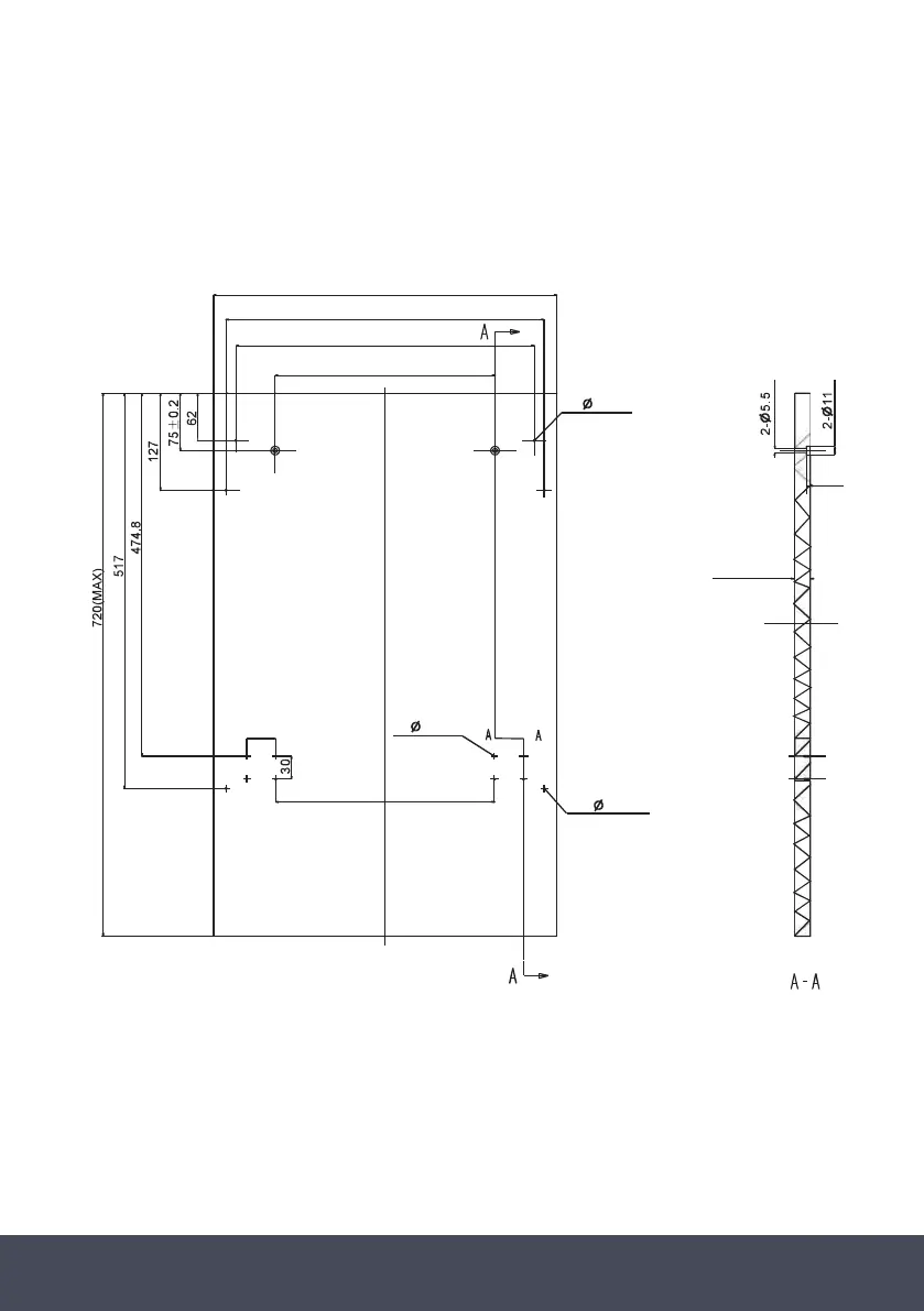
AESTHETIC DOOR PANEL DIMENSIONS AND INSTALLATION
The aesthetic door panel could be processed according to the Figure 3.
Figure 3
The aesthetic door panel should be processed in accordance with the illustrated dimensions
9
90˚
820mm
100
580mm
80
Space between cabinet
bottom and floor
Electrical, drain and
water supply line
entrances
(Unit: mm)
dp8
43 9
416 0.2±
390 0.2±
287.5 0.2±
286
38
8- 2
dp8
4- 2
dp 8
2- 2
20 MAX
5
450mm
(Unit: mm)

Related product manuals