EasyManua.ls Logo

Carlyle 06DA818 - Page 14

Default Icon
72 pages
Print Icon
To Next Page IconTo Next Page
To Next Page IconTo Next Page
To Previous Page IconTo Previous Page
To Previous Page IconTo Previous Page
Loading...
13
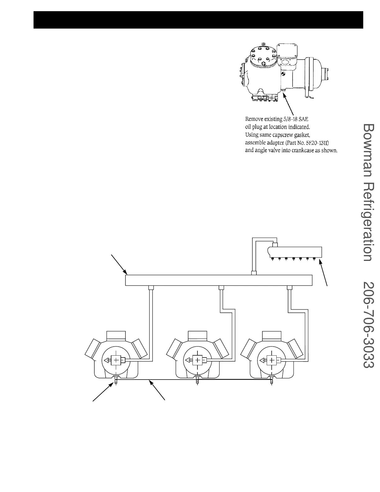
Figure 4 – Compressor Equalization
Suction Manifold
See compressor modification above
(typical)
Header Assy.
Proposed oil equalization line between compressor motor
compartments (1/4” or 3/8” tubing)
Figure 5 – Oil Equalization Between Compressor Motor Compartments
required to connect the float. For the 06E compressor,
the float is required to control the oil level at 1/8 to 3/8
up the sightglass.
One of Carlyle’s major concerns on multiple 06E com-
pressor applications is to avoid accumulating large
quantities of oil in “off” compressors. To minimize this
potential problem, Carlyle recommends the oil levels be
kept at a 1/8 to 3/8 sightglass level. Even with this rec-
ommendation, Carlyle has found that many system mani-
fold piping arrangements can allow excessive oil to drain
into the motor compartment of “off” 06E compressors.
To avoid this potential problem, Carlyle recommends the
motor barrels of 06E compressors be equalized as
shown in Figures 4 and 5. This motor barrel equalization
is recommended in addition to either a float system or
an oil compartment equalization line. Motor barrel
equalization is recommended for 06E compressors only,
the 06D compressors do not have this connection.
Bowman Refrigeration 206-706-3033

Table of Contents