EasyManua.ls Logo

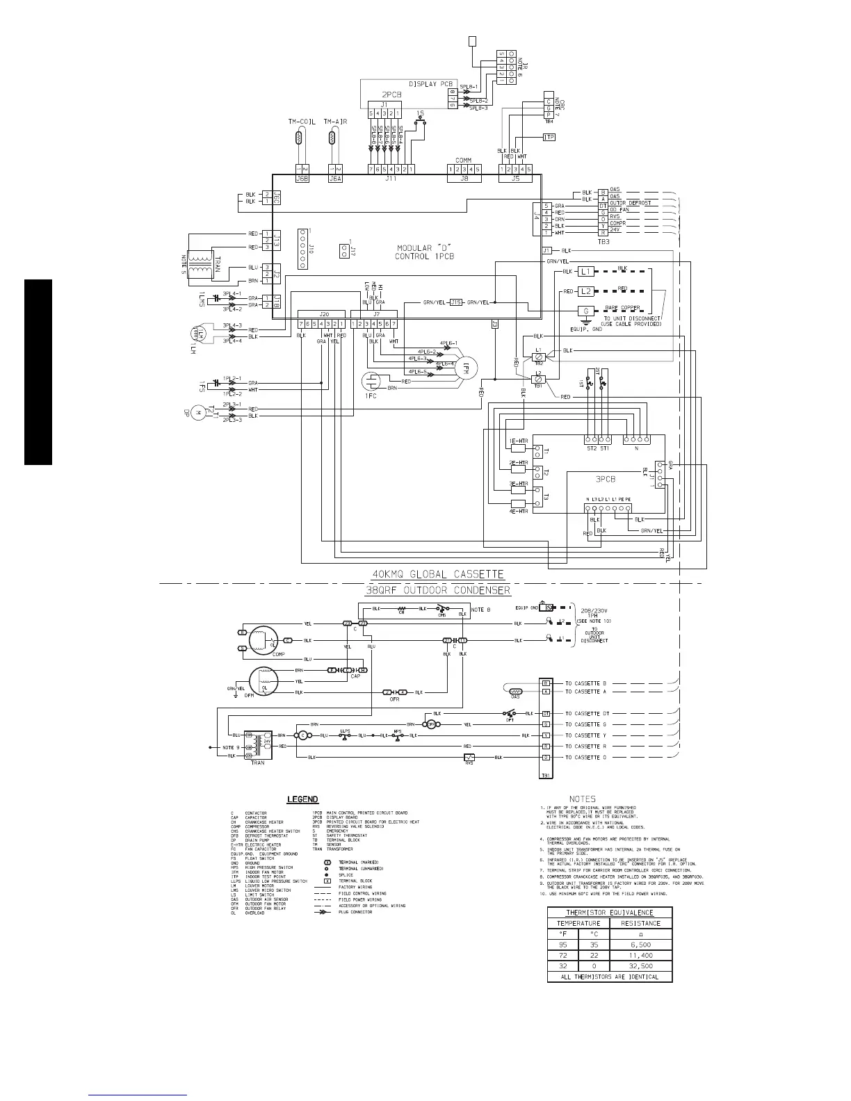
Carrier 38QRF - System Wiring Diagrams (Cont.); Heat Pump System Wiring Diagram

Carrier 38QRF
38 pages
Print Icon
To Next Page IconTo Next Page
To Next Page IconTo Next Page
To Previous Page IconTo Previous Page
To Previous Page IconTo Previous Page
Loading...
34
3. Compressor and fan motors are protected by internal thermal overloads.
50059
Fig. 12 40KMQ / 38QRF Heat Pump System Wiring Diagram with Electric Heaters
4QKMC, KMQ / 38HDF, QRF

Other manuals for Carrier 38QRF

Related product manuals