EasyManua.ls Logo

Carrier 38VTA040 - Schematic Wiring Diagrams; Wiring Diagram 1; Wiring Diagram 2

Carrier 38VTA040
12 pages
Print Icon
To Next Page IconTo Next Page
To Next Page IconTo Next Page
To Previous Page IconTo Previous Page
To Previous Page IconTo Previous Page
Loading...
6
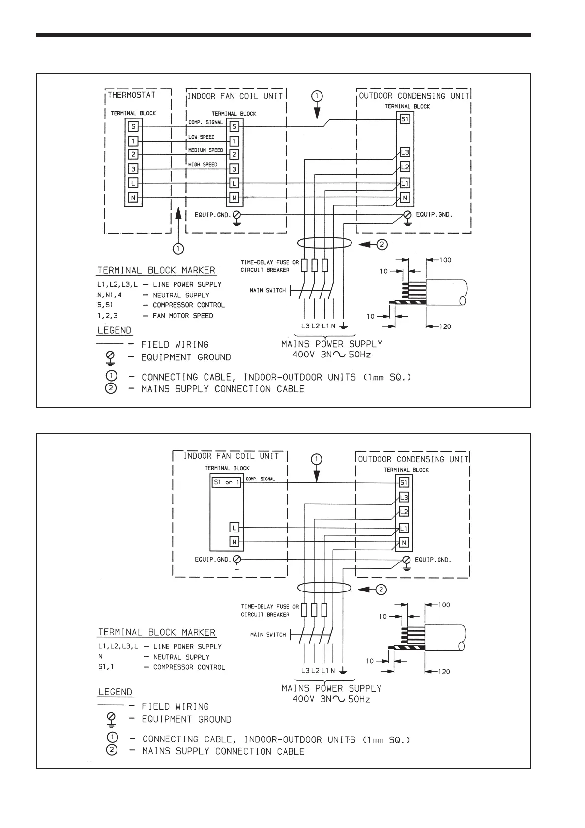
SCHEMATIC WIRING DIAGRAM
FIG. 10 38VTA040/050/060 c/w 40LX040/050/060
FIG. 11 38VTA040/050/060 c/w 42AR/ARM 036/048/060
38VTA040/050/060 c/w 42GX 040/050/060

Related product manuals