EasyManua.ls Logo

Carrier 48FP - Page 100

Carrier 48FP
116 pages
Print Icon
To Next Page IconTo Next Page
To Next Page IconTo Next Page
To Previous Page IconTo Previous Page
To Previous Page IconTo Previous Page
Loading...
100
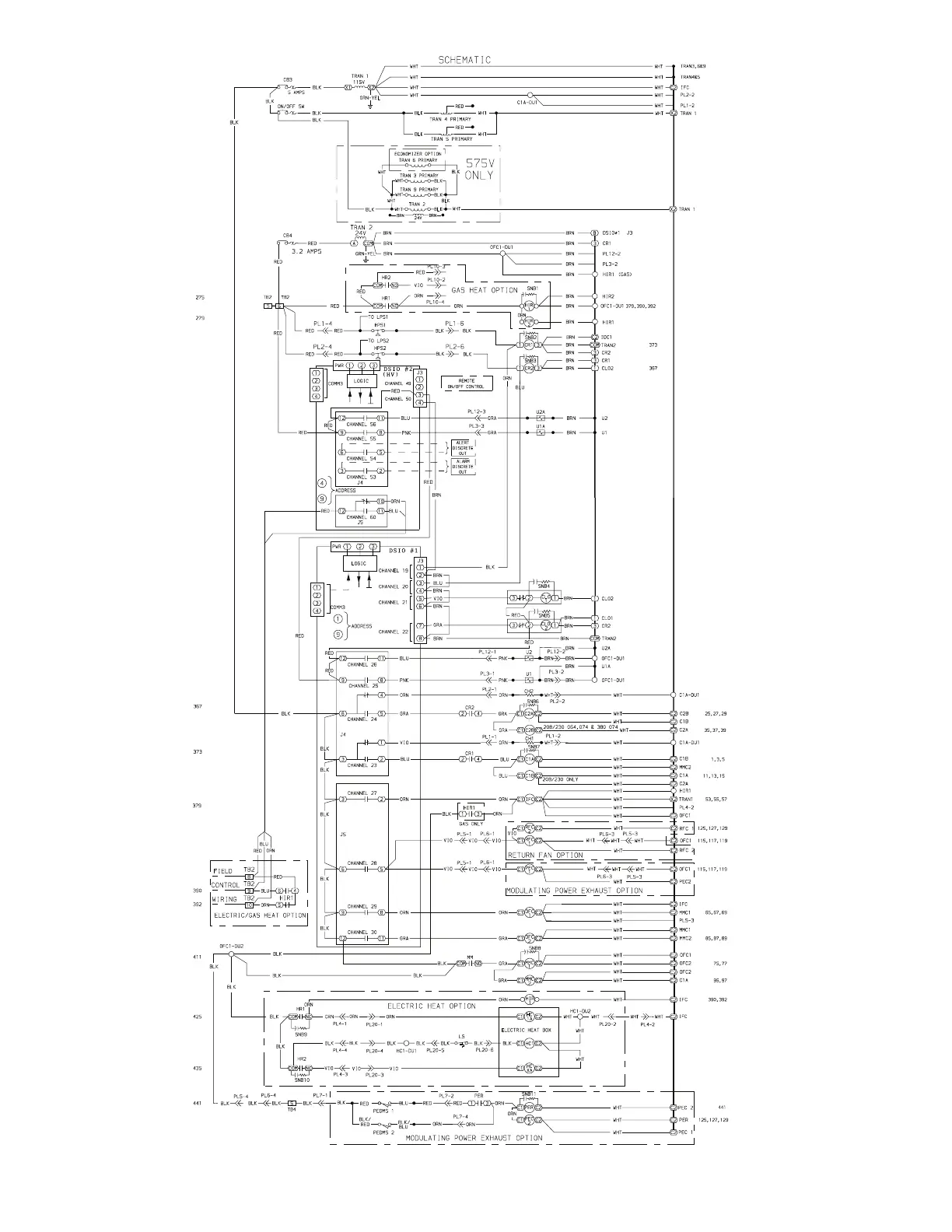
Fig. 51 — Typical Wiring Schematic (Sizes 054-078 Shown)

Table of Contents

Related product manuals