EasyManua.ls Logo

Carrier 48PG20 - Page 72

Carrier 48PG20
112 pages
Print Icon
To Next Page IconTo Next Page
To Next Page IconTo Next Page
To Previous Page IconTo Previous Page
To Previous Page IconTo Previous Page
Loading...
72
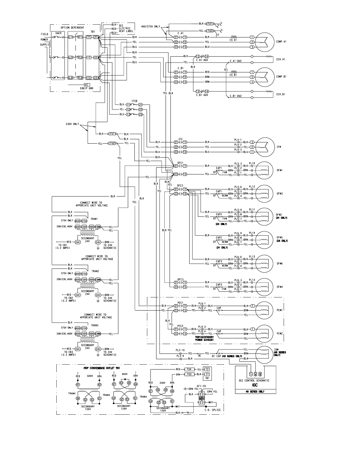
Fig. 18 — Power Schematic — Units without Humidi-MiZer™ System
a48-7628

Table of Contents

Related product manuals