EasyManua.ls Logo

Carrier 58STA - Page 19

Carrier 58STA
49 pages
Print Icon
To Next Page IconTo Next Page
To Next Page IconTo Next Page
To Previous Page IconTo Previous Page
To Previous Page IconTo Previous Page
Loading...
A02075
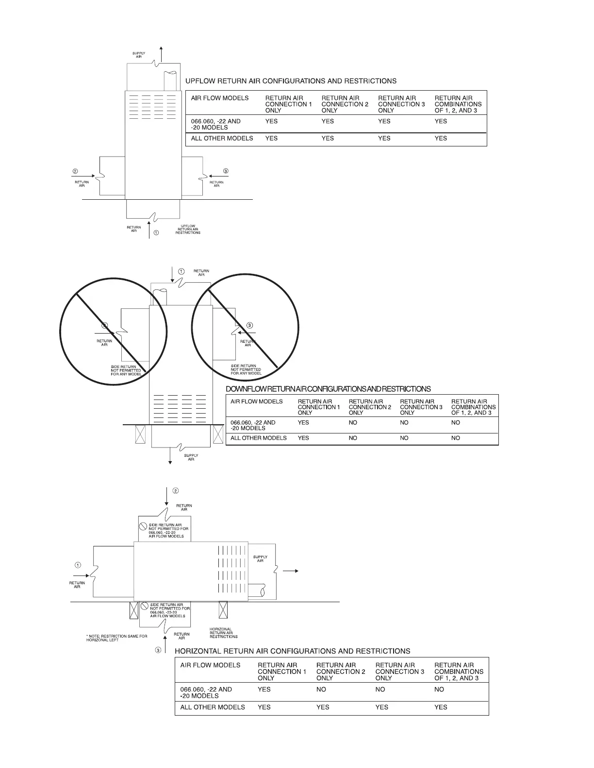
Fig. 18—Upflow Return Air Configurations and Restrictions
A02163
Fig. 19—Downflow Return Air Configurations and Restrictions
A02162
Fig. 20—Horizontal Return Air Configurations and Restrictions
18

Table of Contents

Related product manuals