EasyManua.ls Logo

Carrier 58STA - Page 33

Carrier 58STA
49 pages
Print Icon
To Next Page IconTo Next Page
To Next Page IconTo Next Page
To Previous Page IconTo Previous Page
To Previous Page IconTo Previous Page
Loading...
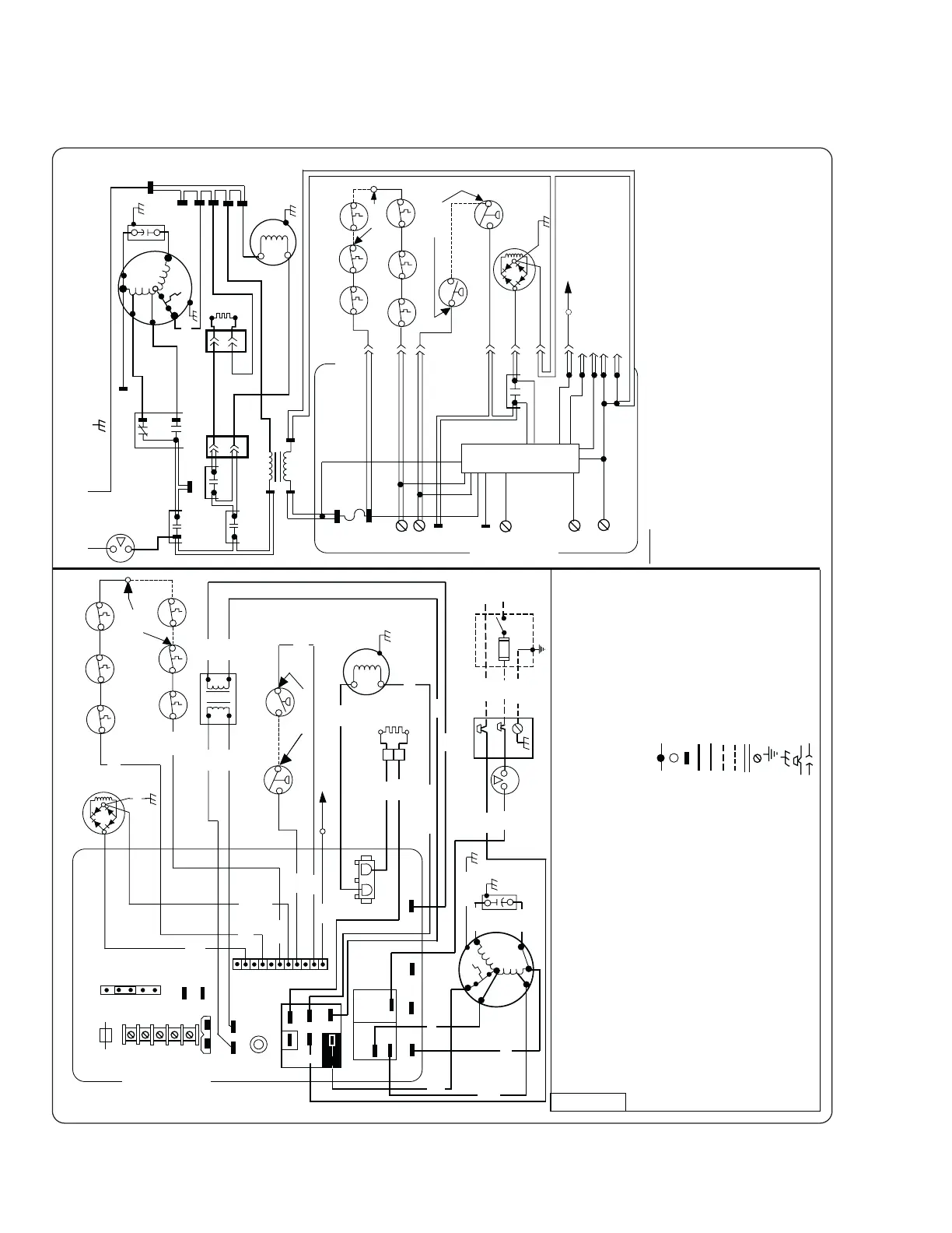
Fig. 45—Furnace Wiring Diagram
A05038
PCB
J 2
R
W
C
HUM
EAC-2
JB
L
E
G
E
N
D
LS 1, 2 LIMIT SWITCH, AUTO-RESET, SPST(N.C.)
OL AUTO-RESET INTERNAL MOTOR OVERLOAD
TEMPERATURE SWITCH (N.C.)
PCB PRINTED CIRCUIT BOARD CONTROL
PL1 11-CIRCUIT PCB CONNECTOR
PL2 2-CIRCUIT CONNECTOR
PL3 2-CIRCUIT HSI, CONNECTOR
PRS PRESSURE SWITCH, SPST-(N.O.)
TEST/TWIN COMPONENT TEST & TWIN TERMINAL
TRAN TRANSFORMER-115VAC/24VAC
JUNCTION
UNMARKED TERMINAL
PCB CONTROL TERMINAL
FACTORY WIRING (115VAC)
FACTORY WIRING (24VAC)
FIELD WIRING (115VAC)
FIELD WIRING (24VAC)
CONDUCTOR ON CONTROL PCB
FIELD WIRING SCREW TERMINAL
FIELD EARTH GROUND
EQUIPMENT GROUND
FIELD SPLICE
PLUG RECEPTACLE
L1
L1
BLWR
BHT/CLR
TO 115VAC FIELD DISCONNECT SWITCH
EQUIPMENT GROUND
SPARE-1
HEAT
COOL
START
OL
HI
MED LO
LO
BLWM
SCHEMATIC DIAGRAM
(NATURAL & PROPANE GASES)
1
HSI
2
PL3
CAP
L2
NOTES:
327559-101 REV. E
om
NEUTRAL
L2
ILK
FU2
L1
ILK
RED
BLU
ORN
GRN/YEL
TEST/TWIN
24V
FU1
LED
12345678910
BLOWER OFF-DELAY
JUMPER SELECT OR
YEL
OL
START
BLK
WHT
WHT (COM)
BLK
BLK
WHT
WHT
2
1
PL2
BLWM
CAP
SPARE 1
EAC-1
PR1
L1
SEC-2
SEC-1
EAC-2
PL1
BRN
BRN
RED (LO)
WHT
(COM)
BLU
(MED LO)
COM
G
BLK (HI)
115VAC
PR1
TRAN
24VAC
LGPS
PRS
FSE
IDM
(WHEN USED)
F U 1
NOTE #6
R
W
SEC-1
SEC-2
HUM
CPU
G
C
GVR
OM
Y
1. If any of the original equipment wire is replaced use wire rated for 105¡C.
2. Use only copper wire between the disconnect switch and the furnace junction box (JB).
3. This wire must be connected to furnace sheet metal for control to prove flame.
4. Symbols are electrical representation only.
5. Solid lines inside PCB are printed circuit board conductors and are not included in legend.
6. Replace only with a 3 amp fuse.
7. Inducer (IDM) and blower (BLWM) motors contain internal auto-reset thermal overload switches (OL).
8. Neutral connections are interchangeable within the NEUTRAL connector block.
9. Blower motor speed selections are for average conditions, see installation instructions for details on
optimum speed selection.
10. Factory connected when BVSS (Chimney Adapter Accessory Kit) is not installed.
11. Factory connected when LGPS is not used.
12. Ignition-lockout will occur after four consecutive unsuccessful trials-for-ignition. Control will
auto-reset after three hours.
13. Blower-on delay: gas heating 25 seconds, cooling or heat pump 2 seconds.
14. Blower-off delay: gas heating selections are 90, 120, 150 or 180 seconds, cooling or heat pump
90 seconds or 5 seconds when J2 is cut.
TRAN
FSE
LS1
RED
RED
BLU
RED
WHT
BLK
BLK
WHT
IDM
HSI
WHT
BLK
2
1
PL3
FRS1
11
EAC-1
HSIR
1
2
PL2
IDR
FUSE OR CIRCUIT BREAKER &
DISCONNECT SWITCH (WHEN REQ D)
NOTE #2
GRN/YEL
GRN/YEL
GND
NOTE #3
NOTE #6
WHT
NOTE #5
GV
GRN/YEL
RED
24V
NOTE #11
PRS
(WHEN USED)
LGPS
YEL
L2
NEUTRAL
NOTE #11
GV
NEUTRAL
NOTE #8
BHT/CLR BLOWER MOTOR SPEED CHANGE RELAY, SPDT
BLWR BLOWER MOTOR RELAY, SPST-(N.O.)
BLWM BLOWER MOTOR, PERMANENT-SPLIT-CAPACITOR
BVSS BLOCKED VENT SHUTOFF SWITCH, MANUAL-RESET, SPST -(N.C.)
CAP CAPACITOR
CPU MICROPROCESSOR AND CIRCUITRY
DSS DRAFT SAFE GUARD SWITCH, AUTO-RESET, SPST -(N.C.)
EAC-1 ELECTRONIC AIR CLEANER CONNECTION (115 VAC 1.0 AMP MAX.)
EAC-2 ELECTRONIC AIR CLEANER CONNECTION (COMMON)
FRS 1, 2 FLAME ROLLOUT SW. -MANUAL RESET, SPST-(N.C.)
FSE FLAME-PROVING ELECTRODE
FU 1 FUSE, 3 AMP, AUTOMOTIVE BLADE TYPE, FACTORY INSTALLED
FU 2 FUSE OR CIRCUIT BREAKER CURRENT INTERRUPT DEVICE
(FIELD INSTALLED & SUPPLIED)
GND EQUIPMENT GROUND
GV GAS VALVE-REDUNDANT
GVR GAS VALVE RELAY, SPST-(N.O.)
HSI HOT SURFACE IGNITER (115 VAC)
HSIR HOT SURFACE IGNITER RELAY, SPST-(N.O.)
HUM 24VAC HUMIDIFIER CONNECTION (0.5 AMP. MAX.)
IDM INDUCED DRAFT MOTOR, SHADED-POLE
IDR INDUCED DRAFT MOTOR RELAY, SPST-(N.O.)
ILK BLOWER ACCESS PANEL INTERLOCK SWITCH, SPST-(N.O.)
J1 BLOWER - OFF DELAY JUMPER SELECTOR - HEATING
J2 BLOWER - OFF DELAY JUMPER - COOLING
JB JUNCTION BOX
LED LIGHT-EMITTING DIODE FOR STATUS CODES - RED
LGPS LOW GAS PRESSURE SWITCH, SPST-(N.O.)
NEUTRAL
BHT/CLR
CONNECTION DIAGRAM
COOL
HEAT
TEST/TWIN
PCB
NOTE #5
BLW
BLWR
DSS
FRS2
BVSS
(WHEN USED)
NOTE #10
FRS1
FRS2
DSS
BVSS
LS1
NOTE #10
(WHEN USED)
L 2
PRINTED CIRCIUT BOARD
PRINTED CIRCIUT BOARD
PL1-1
PL1-6
PL1-2
PL1-4
PL1-3
PL1-10
PL1-5
PL1-9
PL1-11
PL1-7
PL1-8
SPARE 2
LS2
(WHEN USED)
LS2
(WHEN USED)
Y
RED
RED
RED
RED
ORG
ORG
J1
180
150
120
90
32

Table of Contents

Related product manuals