EasyManua.ls Logo

Carrier 58STA - Page 44

Carrier 58STA
49 pages
Print Icon
To Next Page IconTo Next Page
To Next Page IconTo Next Page
To Previous Page IconTo Previous Page
To Previous Page IconTo Previous Page
Loading...
9. Using field-provided 25-caliber rifle cleaning brush, 36-in.
long, 1/4 diameter steel spring cable, a variable speed,
reversible electric drill, and vacuum cleaner, clean cells as
follows:
a. Remove metal screw fitting from wire brush to allow
insertion into cable.
b. Insert the twisted wire end of brush into end of spring
cable, and crimp tight with crimping tool or crimp by
striking with ball-peen hammer. TIGHTNESS IS VERY
IMPORTANT.
NOTE: The materials needed in item 9 can usually be purchased
at local hardware stores.
(1.) Attach variable-speed, reversible drill to the end of
spring cable (end opposite brush).
(2.) Insert brush end of cable into the outlet opening of cell
and slowly rotate with drill. DO NOT force cable.
Gradually insert cable into upper pass of cell. (See Fig.
52.)
(3.) Work cable in and out of cell 3 or 4 times to obtain
sufficient cleaning. DO NOT pull cable with great
force. Reverse drill and gradually work cable out.
(4.) Insert brush end of cable in burner inlet opening of
cell, and proceed to clean 2 lower passes of cell in
same manner as upper pass.
(5.) Repeat foregoing procedures until each cell in furnace
has been cleaned.
(6.) Using vacuum cleaner, remove residue from each cell.
(7.) Using vacuum cleaner with soft brush attachment,
clean burner assembly.
(8.) Clean flame sensor with fine steel wool.
(9.) Install NOx baffles, if removed.
(10.) Reinstall burner assembly. Center burners in cell
openings.
10. Remove old sealant from cell panel and collector box flange.
11. Spray releasing agent on the heat exchanger cell panel where
collector box assembly contacts cell panel.
NOTE: A releasing agent such as cooking spray or equivalent
(must not contain corn or canola oil, aromatic or halogenated
hydrocarbons or inadequate seal may occur) and RTV sealant
(G.E. 162, 6702, or Dow-Corning 738) are needed before starting
installation. DO NOT substitute any other type of RTV sealant.
G.E. 162 (P771-9003) is available through RCD in 3-oz tubes.
12. Apply new sealant to flange of collector box and attach to cell
panel using existing screws, making sure all screws are secure.
13. Reconnect wires to the following components (Use connection
diagram on wiring label, if wires were not marked for
reconnection locations.):
a. Draft safeguard switch.
b. Inducer motor.
c. Pressure switch(es).
d. Limit overtemperature switch.
e. Gas valve.
f. Hot surface igniter.
g. Flame-sensing electrode.
h. Flame rollout switches.
i. Install NOx baffles (if removed).
14. Reinstall internal vent pipe, if applicable.
Table 13—Orifice Size* And Manifold Pressure For Gas Input Rate (Continued)
(Tabulated Data Based On 21,000 Btuh Per Burner, Derated 4 Percent For Each 1000 Ft Above Sea Level)
ALTITUDE
RANGE
(FT)
AVG GAS
HEAT VALUE
AT ALTITUDE
(BTU/CU FT)
SPECIFIC GRAVITY OF NATURAL GAS
0.58 0.60 0.62 0.64
Orifice
No.
Manifold
Pressure
Orifice
No.
Manifold
Pressure
Orifice
No.
Manifold
Pressure
Orifice
No.
Manifold
Pressure
U.S.A. Only
9001
to
10,000
600 43 2.4 43 2.5 43 2.6 43 2.7
625 43 2.3 43 2.3 43 2.4 43 2.5
650 43 2.1 43 2.2 43 2.2 43 2.3
675 48 3.6 48 3.8 43 2.1 43 2.1
700 48 3.4 48 3.5 48 3.6 48 3.7
725 49 3.7 49 3.8 48 3.4 48 3.5
* Orifice numbers 43 are factory installed
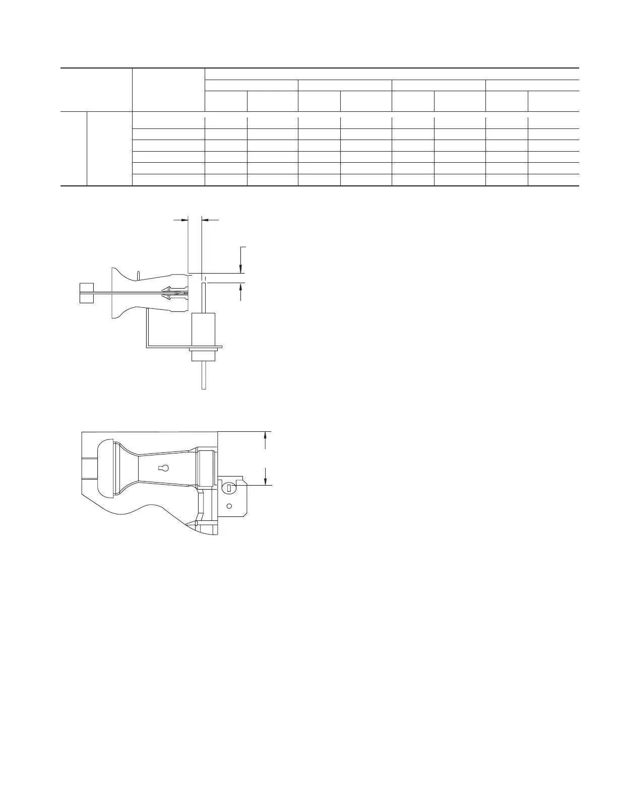
Fig. 50—Igniter Position-Side View
A05025
9/32˝
5/16˝
Fig. 51—Igniter Position-Top View
A05026
1-7/8”
43

Table of Contents

Related product manuals