EasyManua.ls Logo

Carrier 58SU0A040E17-12 - Page 19

Carrier 58SU0A040E17-12
40 pages
To Next Page IconTo Next Page
To Next Page IconTo Next Page
To Previous Page IconTo Previous Page
To Previous Page IconTo Previous Page
Loading...
19
12
11
10
9
8
7
6
5
4
3
2
1
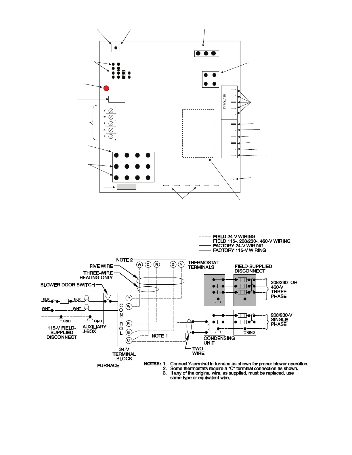
J9
J3
J11
SPARE2
J10
J4
J5
J6
AD B
C
B A
COOL
HEAT
SW1
LED
3A Fuse
3 2
1
2
1
4
3
SPARE1
COM
COOL HEAT
FAN
GND
FLAME
EAC
HUM
PR
BL
L1
NEUT
NEUT
ID Plug
24-VAC THERMOSTAT
TERMINALS
115-VAC (L2) NEUTRAL
CONNECTIONS – L2, ECM
BLOWER, TRANSFORMER,
HUM/EAC (WHEN USED)
TRANSFORMER 24-VAC
CONNECTIONS
(ATTACHMENT AT PIN
10 (RED) AND 11 (BLUE)
WIRES)
3-AMP FUSE
MULTICOLOR STATUS
LED LIGHT
(RED/GREEN/AMBER)
SW1 - FAULT
RECALL/CLEAR
AND COMPONENT
TEST BUTTON
ID PLUG CONNECTOR
(ID PLUG IS A
SEPARATE PART)
INDUCER MOTOR
LOW VOLTAGE
CONNECTOR
115-VAC LINE CONNECTION
(
L1
)
INDUCER MOTOR AND
IGNITER 115-VAC / NEUTRAL
CONNECTOR
ECM BLOWER 115VAC
PRIMARY OF TRANSFORMER 115-VAC
EAC 115-VAC
(
WHEN USED
)
FLAME SENSOR
HUMIDIFIER 115-VAC
(
WHEN USED
)
NO CONNECTION AT GND –
PIN 8 (J9) IS USED FOR GND
(GROUNDED AT BURNER
BOX OR CASING
)
COOL ON-DELAY AND HEAT OFF-
DELAY (JUMPER SHOWN IN
FACTORY DEFAULT POSITION)
ECM BLOWER MOTOR SPEED OUTPUTS 24-VAC COOL/HEAT/FAN
SPARE1 & 2 ARE FOR MOTOR TAPS NOT BEING USED
SEE INSTRUCTIONS FOR MOTOR SPEED SELECTION OPTIONS
MAIN HARNESS
CONNECTION FOR 24-VAC
COMPONENTS
SW1 – SEE
DIAGNOSTIC
LABEL FOR USE
OF THIS SWITCH
LABEL WITH
PART
NUMBE
R /
DATE CODE
(WWYY) /
SOFTWARE
VERSION
INFORMATION
LABEL
A180213
Fig. 23 -- Furnace Control
Representative drawing only, some models may vary.
A180241
Fig. 24 -- Heating and Cooling Application Wiring Diagram with 1-- Stage Thermostat

Related product manuals