EasyManua.ls Logo

Carrier DHMSHAQ09XA1 - Page 8

Carrier DHMSHAQ09XA1
42 pages
To Next Page IconTo Next Page
To Next Page IconTo Next Page
To Previous Page IconTo Previous Page
To Previous Page IconTo Previous Page
Loading...
8
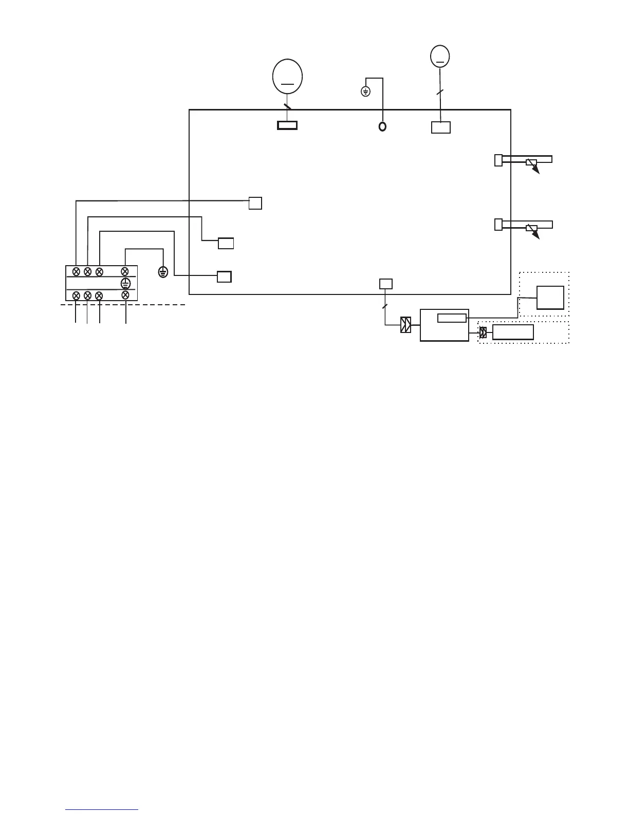
WIRING DIAGRAMS (CONT)
INDOOR WIRING DIAGRAM
6
52207(03(5$785(6(1625
3,3( 7(03(5$785( 6(1625
6:,1*02725
M
CN5
YELLOW
RED

,1)$1
M
5
CN4
N
CN11
CN16
&1
&1
L-IN
CN2
P_1
BLUE(BLACK)
INDOOR UNIT
OUTDOOR UNIT
JX1
Y/G
L1
L2
S
',63/$<%2$5'
&1$
8(7)
&1
Wire Contoller
OPTIONAL
Wi-Fi
Contoller
OPTIONAL
&1
&1
Fig. 6 – Wiring Diagram Sizes 09−36 (208−230V)
Table 7—INDOOR UNIT CONTROL BOARD
INPUT or OUTPUT VALUE
L_IN Power Voltage: AC230V
CN11 Power Voltage: AC230V
CN16 Relative to the N terminal voltage: DC24V
CN15 Maximum voltage: DC5V
CN4 Indoor fan interface, maximum voltage: DC310V
CN5 Stepper motor interface, maximum voltage between the lines: DC12V
P_1 Ground
CN8 Room temperature sensor interface, maximum voltage: DC5V
CN9 Pipe temperature sensor interface, maximum voltage: DC5V
CN10A Display interface,maximum voltage between the lines: DC5V

Related product manuals