EasyManua.ls Logo

Carrier NP034-074 - Page 61

Carrier NP034-074
72 pages
To Next Page IconTo Next Page
To Next Page IconTo Next Page
To Previous Page IconTo Previous Page
To Previous Page IconTo Previous Page
Loading...
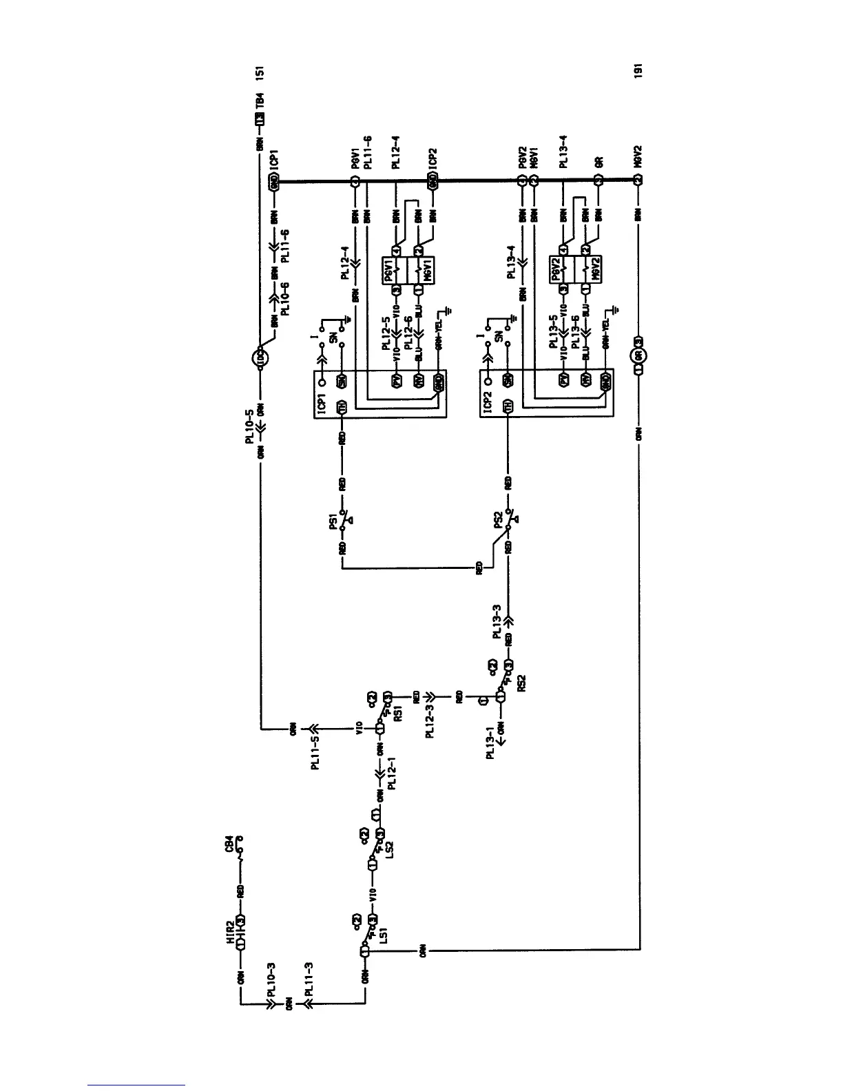
Fig. 69 Gas Heat Section; 48DK054-074 Units
61

Table of Contents

Related product manuals