EasyManua.ls Logo

Carrier WeatherMaker 50KCQ A04 Series - Page 71

Carrier WeatherMaker 50KCQ A04 Series
80 pages
To Next Page IconTo Next Page
To Next Page IconTo Next Page
To Previous Page IconTo Previous Page
To Previous Page IconTo Previous Page
Loading...
71
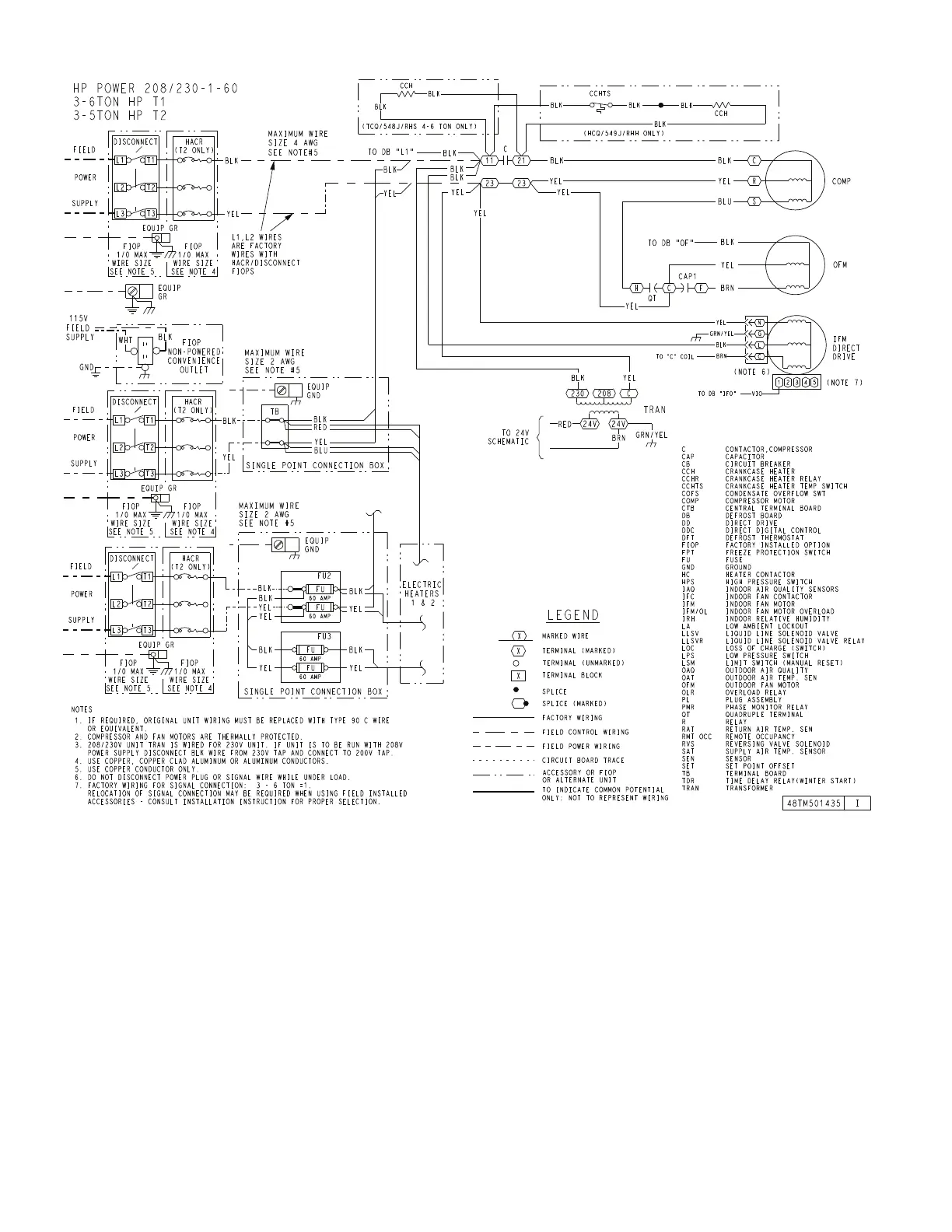
Fig. D — 50KCQ A04/A05/A06 Power Wiring Diagram (208/230-1-60)
APPENDIX D — WIRING DIAGRAMS

Table of Contents

Other manuals for Carrier WeatherMaker 50KCQ A04 Series

Related product manuals