EasyManua.ls Logo

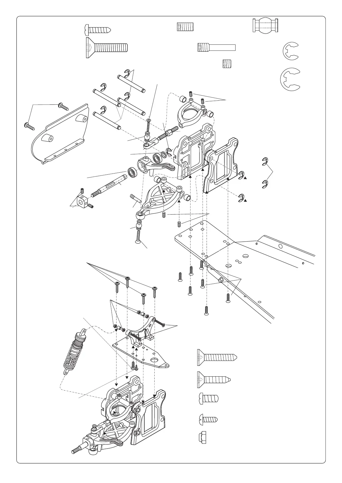
Carson Attack EVO - Vorderachse; Front Axle

Carson Attack EVO
37 pages
Print Icon
To Next Page IconTo Next Page
To Next Page IconTo Next Page
To Previous Page IconTo Previous Page
To Previous Page IconTo Previous Page
Loading...
Vorderachse
Front axle
Essieu avant
Eje delantero
E-Ring Ø5
E-ring Ø5
Circlip Ø5
E-Ring Ø5
E-ring Ø5
Circlip Ø5
E-Ring Ø5
E-ring Ø5
Circlip Ø5
E-Ring Ø7
E-ring Ø7
Circlip Ø7
E-Ring Ø7
E-ring Ø7
Circlip Ø7
32434
32498
32463
32409
32464
32442
32561
32444
32446
32425
11342
32437
32436
Dämpferachse
Damper shaft
Axe d'amortisseuer
Eje de amortiguado
Madenschraube M5x10
Grub screw M5x10
Vis sans tête M5x10
Tornillo prisionero M5x10
Madenschraube M5x5
Grub screw M5x5
Vis sans tête M5x5
Tornillo prisionero M5x5
Schneidschaube 4.2x16mm
Self-tp. screw 4.2x16mm
Vis traudeuse 4.2x16mm
Tornillo 4.2x16mm
Innens.senkschraube M5x27
Inner hex. p.h. screw M5x27
Visnoyée hex. int.r M5x27
Tornillo cabeza avellanada M5x27
Schneidschaube 4.2x16mm
Self-tp. screw 4.2x16mm
Vis traudeuse 4.2x16mm
Tornillo 4.2x16mm
Madenschraube M5x10
Grub screw M5x10
Vis sans tête M5x10
Tornillo prisionero M5x10
Beilagscheibe 17x8.4x1.5
Washer 17x8.4x1.5
Rondelle 17x8.4x1.5
Arandela 17x8.4x1.5
Dämpferachse
Damper shaft
Axe d'amortisseuer
Eje de amortiguado
Gelenkkugel B Ø10
Ball end B Ø10
Baque de fixation B
Bola de rótula B Ø10
Gelenkkugel B Ø10
Ball end B Ø10
Baque de fixation B
Bola de rótula B Ø10
Gelenkkugel B Ø10
Ball end B Ø10
Baque de fixation BØ10
Bola de rótula B Ø10
Kugellager Ø8x22x7
Ball bearing Ø8x22x7
Roulement à billes Ø8x22x7
Rodamiento de bolas Ø8x22x7
Madenschraube M5x10
Grub screw M5x10
Vis sans tête M5x10
Tornillo prisionero M5x10
Schneidschaube 4.2x10mm
Self-tp. screw 4.2x10mm
Vis traudeuse 4.2x10mm
Tornillo 4.2x10mm
Schneidschaube 3x9mm
Self-tp. screw 3x9mm
Vis traudeuse 3x9mm
Tornillo 3x9mm
Schneidsenkschaube 4.2x16mm
Countersunk self-tp. screw 4.2x16mm
Vis noyée traudeuse 4.2x16mm
Tornillo cabeza avellanada 4.2x16
Schneidsenkschaube 4.2x16mm
Countersunk self-tp. screw 4.2x16mm
Vis noyée traudeuse 4.2x16mm
Tornillo cabeza avellanada 4.2x16
Senkschraube M4x25
Countersunk screw M4x25
Vis noyée M4x25
M4x25Tornillo cabeza avellanada
Schneidschraube 4.2x10mm
Self-tp. screw 4.2x10mm
Vis traudeuse 4.2x10mm
Tornillo 4.2x10mm
Schneidschraube 3x9mm
Self-tp. screw 3x9mm
Vis traudeuse 3x9mm
Tornillo 3x9mm
M4 Sicherungsmutter
M4 nylon lock nut
M4 écrou de blocage
Tuerca autofrenante M4
Innens.senkschraube M5x25
Inner hex. p.h. screw M5x25
Visnoyée hex. int.r M5x25
Tornillo cabeza avellanada M5x25
Schneidschaube 4.2x16mm
Self-tp. screw 4.2x16mm
Vis traudeuse 4.2x16mm
Tornillo 4.2x16mm
Madenschraube M5x5
Grub screw M5x5
Vis sans tête M5x5
Tornillo prisionero M5x5
Senkschraube M4x25
Countersunk screw M4x25
Vis noyée M4x25
M4x25Tornillo cabeza avellanada
M4 Sicherungsmutter
M4 nylon lock nut
M4 écrou de blocage
Tuerca autofrenante M4
Innens.senkschraube M5x27
Inner hex. p.h. screw M5x27
Visnoyée hex. int.r M5x27
Tornillo cabeza avellanada M5x27
Verwendete Teile
Parts used
Pièces utilisées
Partes usadas
305143
11923
16

Related product manuals